GM Service Manual Online
For 1990-2009 cars only
Makes
🢒
Chevrolet
🢒
1998
🢒
Astro - 2WD
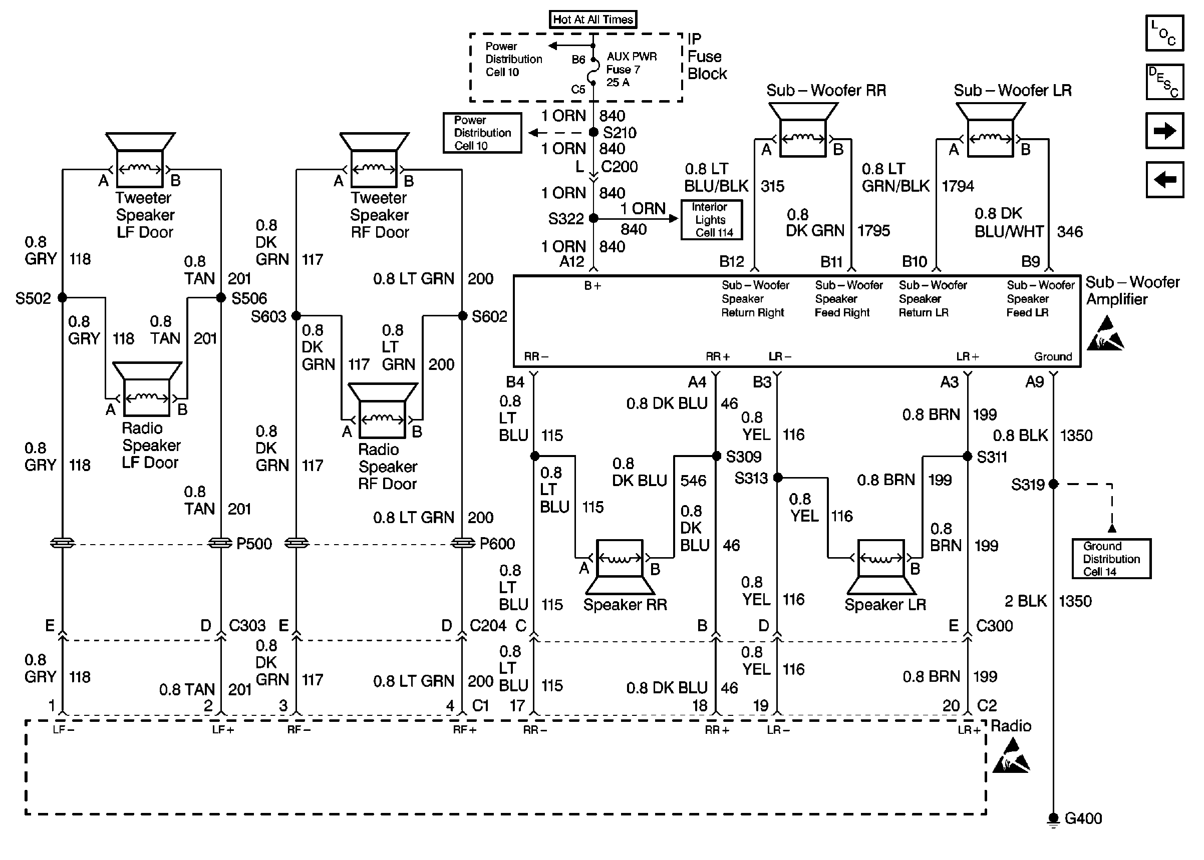
🢒 Cell 150 Radio/Audio Systems Premium Radio with Speed Compensated Volume(2 of 2)
Cell 150 Radio/Audio Systems Premium Radio with Speed Compensated Volume(2 of 2)
Cell 150 Radio/Audio Systems Premium Radio with Speed Compensated Volume (2 of 2)
STOP/HAZ, AUX PWR Fuses
STOP/HAZ, AUX PWR Fuses
Cell 114 (IP Fuse Block, Cigarette Lighter, Front Auxiliary Power Outlet#1, Rear Auxiliary Power Outlet, Sub-Woofer Amplified)
LH Front Seat
Entertainment Components
Radio/Audio System Circuit Description
Cell 150 Radio/Audio Systems Premium Radio with Rear Control (1 of3)
Cell 150 Radio/Audio Systems Premium Radio with Speed Compensated Volume(1 of 2)
Handling ESD Sensitive Parts Notice
Handling ESD Sensitive Parts Notice