GM Service Manual Online
For 1990-2009 cars only
Makes
🢒
Chevrolet
🢒
2000
🢒
Astro - 2WD
🢒
Body and Accessories
🢒
Wipers/Washer Systems
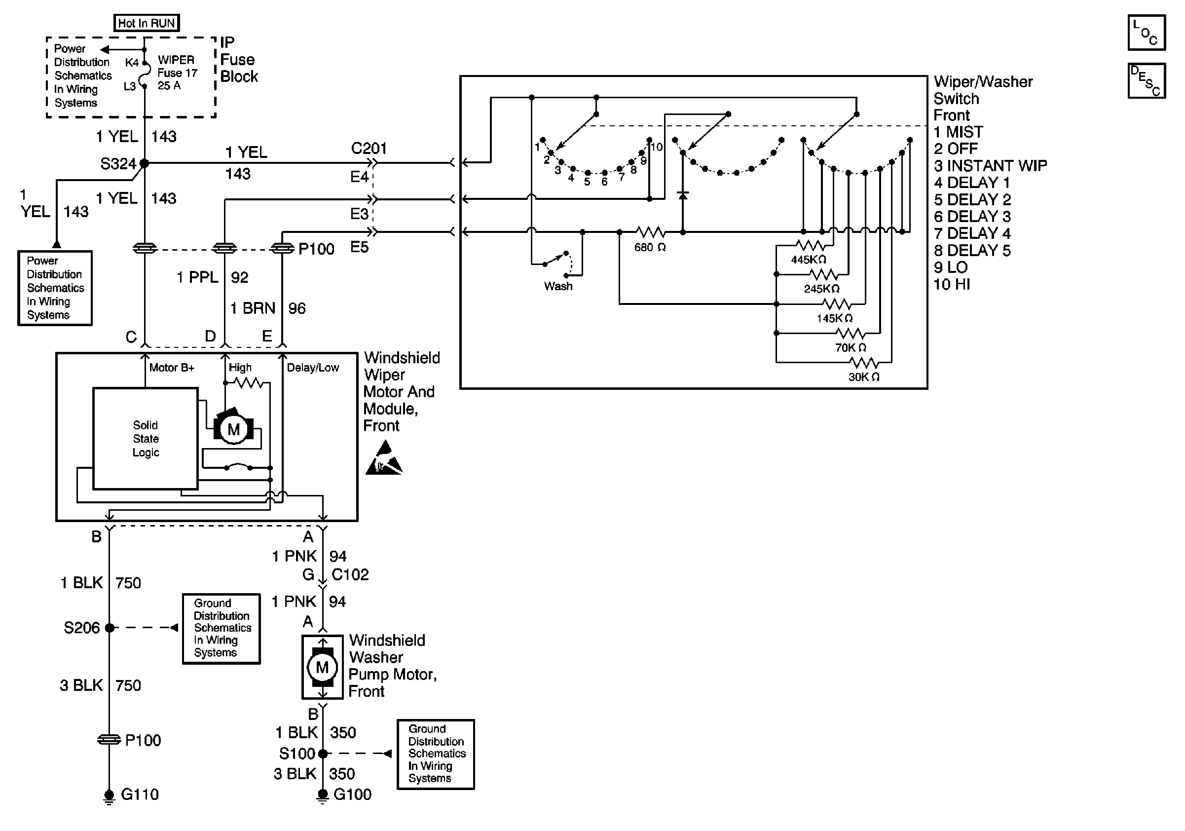
🢒 Wiper/Washer System (Pulse) Schematics
Wiper/Washers -- Pulse
Wiper/Washer System Components
Wiper/Washer System Circuit Description
Handling ESD Sensitive Parts Notice
G100, G102 and G103
G110 (1 of 2)
WIPER Fuse 17, RADIO ACCY Fuse 2 and RR WIPER Fuse 23
WIPER Fuse 17, RADIO ACCY Fuse 2 and RR WIPER Fuse 23