GM Service Manual Online
For 1990-2009 cars only
Makes
🢒
Chevrolet
🢒
2000
🢒
Astro - 2WD
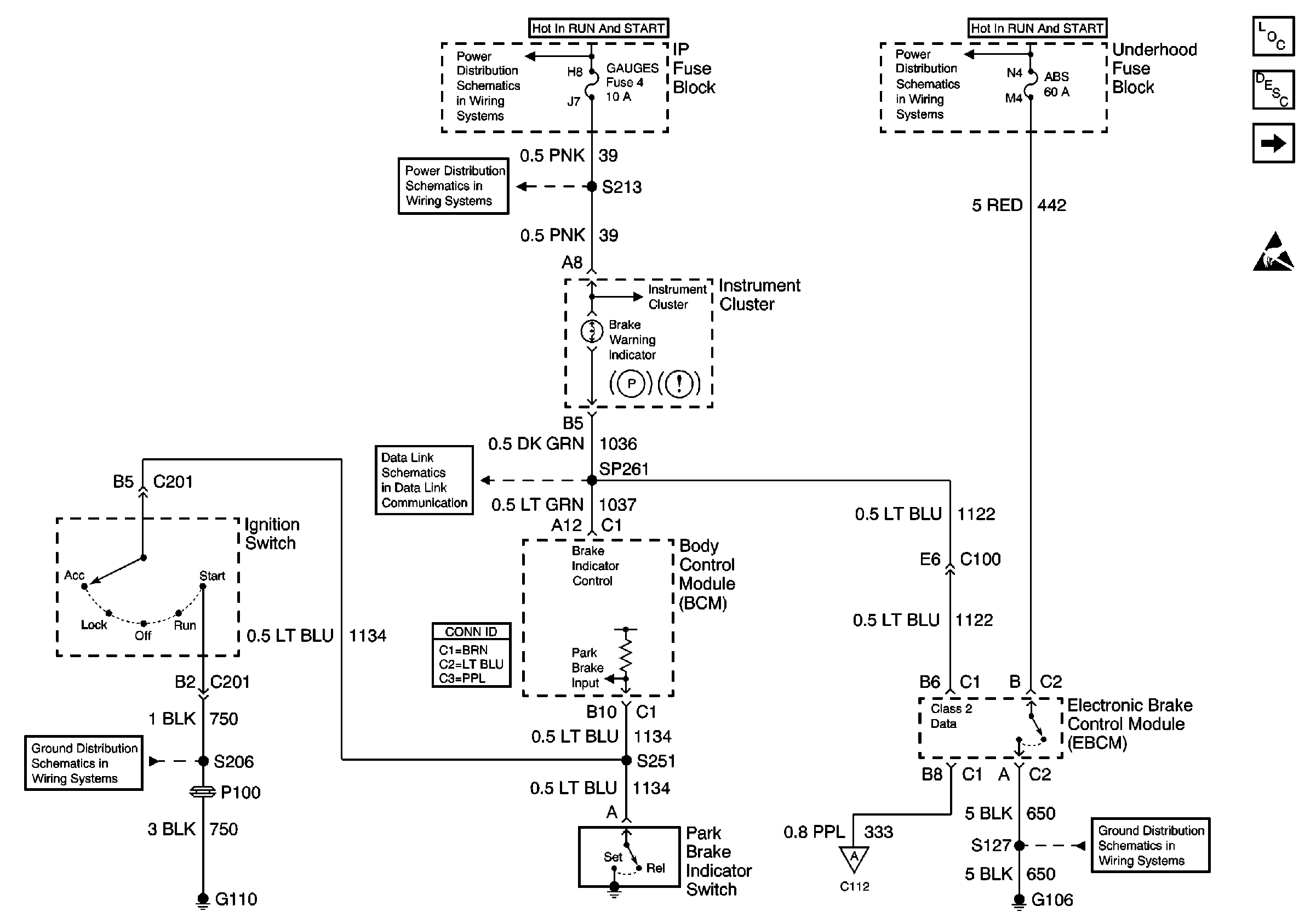
🢒 Park Brake Indicator Switch
Park Brake Indicator Switch
Park Brake Indicator Switch
Hydraulic Brakes Components
Brake Warning System Operation
Brake Pressure Warning and Fluid Level Switch
GAUGES Fuse 4, AIR BAG Fuse 10 and TURN-B/U Fuse 16
GAUGES Fuse 4, AIR BAG Fuse 10 and TURN-B/U Fuse 16
Battery, Generator, Starter Solenoid, and Underhood Fuse BLock
Data Link Schematics (1 of 2)
G110 (1 of 2)
Brake Pressure Warning and Fluid Level Switch
G101, G106 and G302
Hydraulic Brake Schematic Icons