GM Service Manual Online
For 1990-2009 cars only
Makes
🢒
Chevrolet
🢒
2000
🢒
Astro - 2WD
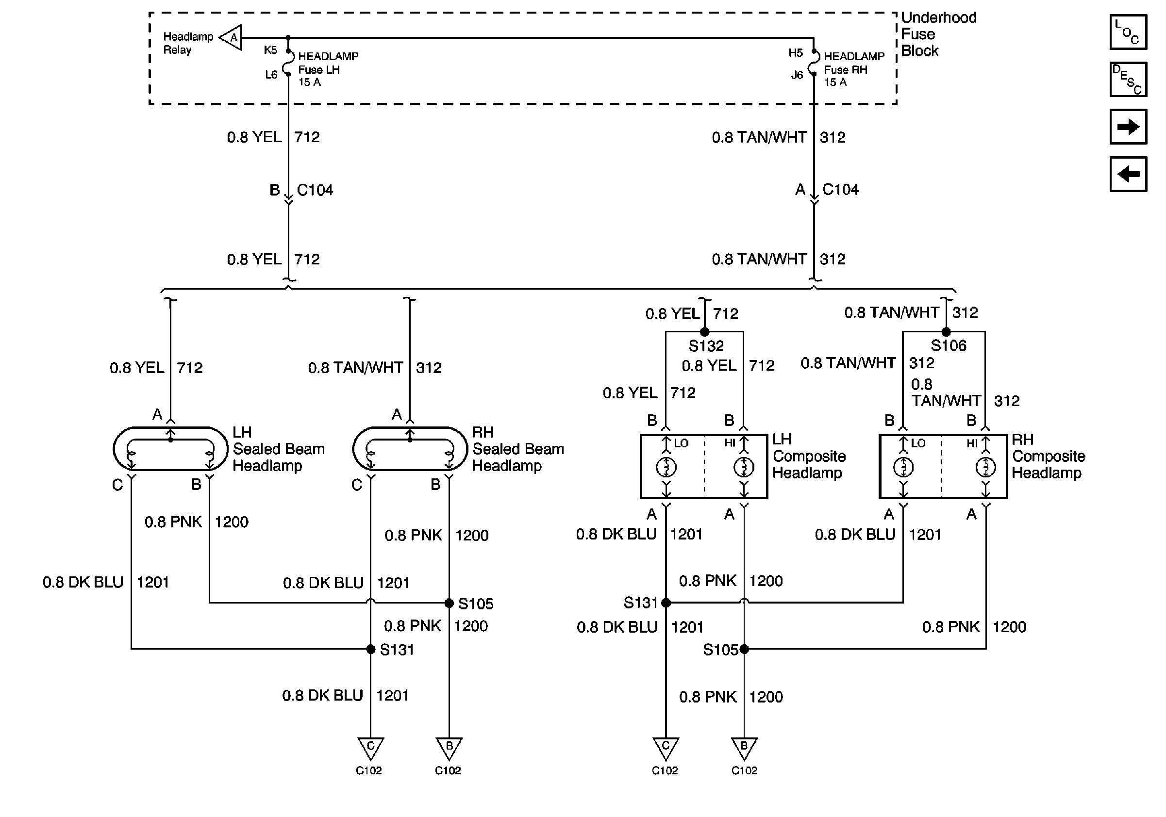
🢒 Sealed Beam and Composite Headlamps
Sealed Beam and Composite Headlamps
Sealed Beam and Composite Headlamps
Lighting Systems Components
Exterior Lights Circuit Description Domestic
DRL Relay, DRL Diode D300
Headlamp and Panel Dimmer Switch, Ambient Light Sensor, Headlamp Relay
Headlamp and Panel Dimmer Switch, Ambient Light Sensor, Headlamp Relay
RH HDLMP and LH HDLMP Fuse
DRL Relay, DRL Diode D300
DRL Relay, DRL Diode D300
DRL Relay, DRL Diode D300
DRL Relay, DRL Diode D300