GM Service Manual Online
For 1990-2009 cars only
Makes
🢒
Chevrolet
🢒
2000
🢒
Astro - 2WD
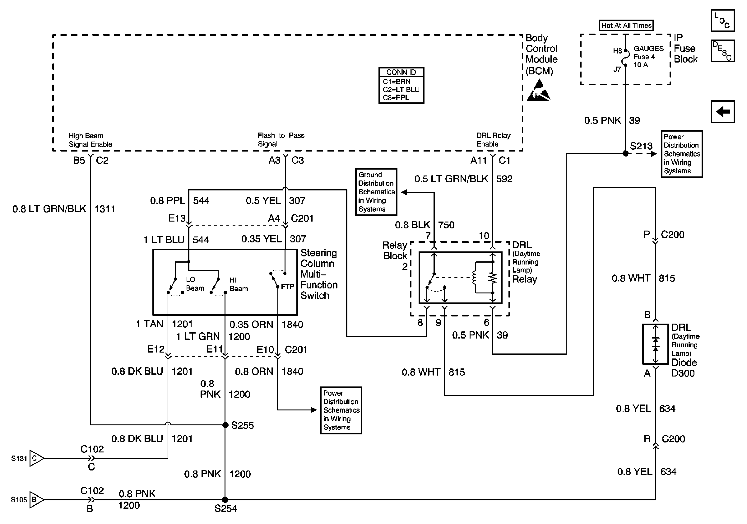
🢒 DRL Relay, DRL Diode D300
DRL Relay, DRL Diode D300
DRL Relay, DRL Diode D300
Lighting Systems Components
Exterior Lights Circuit Description Domestic
Sealed Beam and Composite Headlamps
G110 (1 of 2)
IGN-A Fuse and Ignition Switch
CTSY Fuse 3, PK LPS Fuse 9, TBC Fuse 15, and PWR MIR Fuse 21
Sealed Beam and Composite Headlamps
Sealed Beam and Composite Headlamps
Lighting Systems Schematic Icons