GM Service Manual Online
For 1990-2009 cars only
Makes
🢒
Chevrolet
🢒
2000
🢒
Astro - 2WD
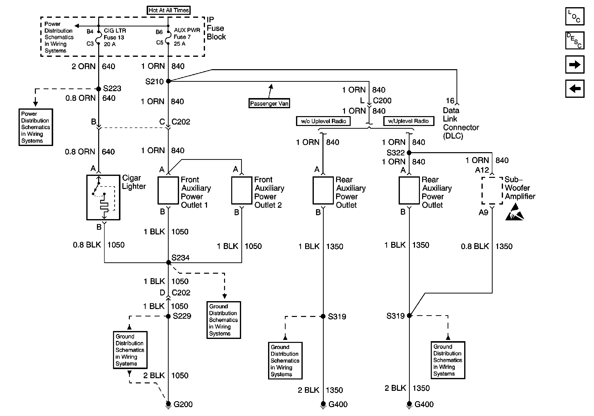
🢒 Auxiliary Power Outlets, Cigar Lighter
Auxiliary Power Outlets, Cigar Lighter
Auxiliary Power Outlets, Cigar Lighter
Lighting Systems Components
Interior Lights Circuit Description
Window and Door Lock Switches
Inadvertent Power Relay, Vanity Lamps
BATT and LIGHTING Fuse
CIG LTR Fuse 13, RADIO BATT Fuse 19 and CRANK Fuse 8
Lighting Systems Schematic Icons
G200 (1 of 2)
G200 (2 of 2) and G401
G301, G303, G400 and G404
G301, G303, G400 and G404
Lighting Systems Schematic Icons