GM Service Manual Online
For 1990-2009 cars only
Makes
🢒
Chevrolet
🢒
2000
🢒
Astro - 2WD
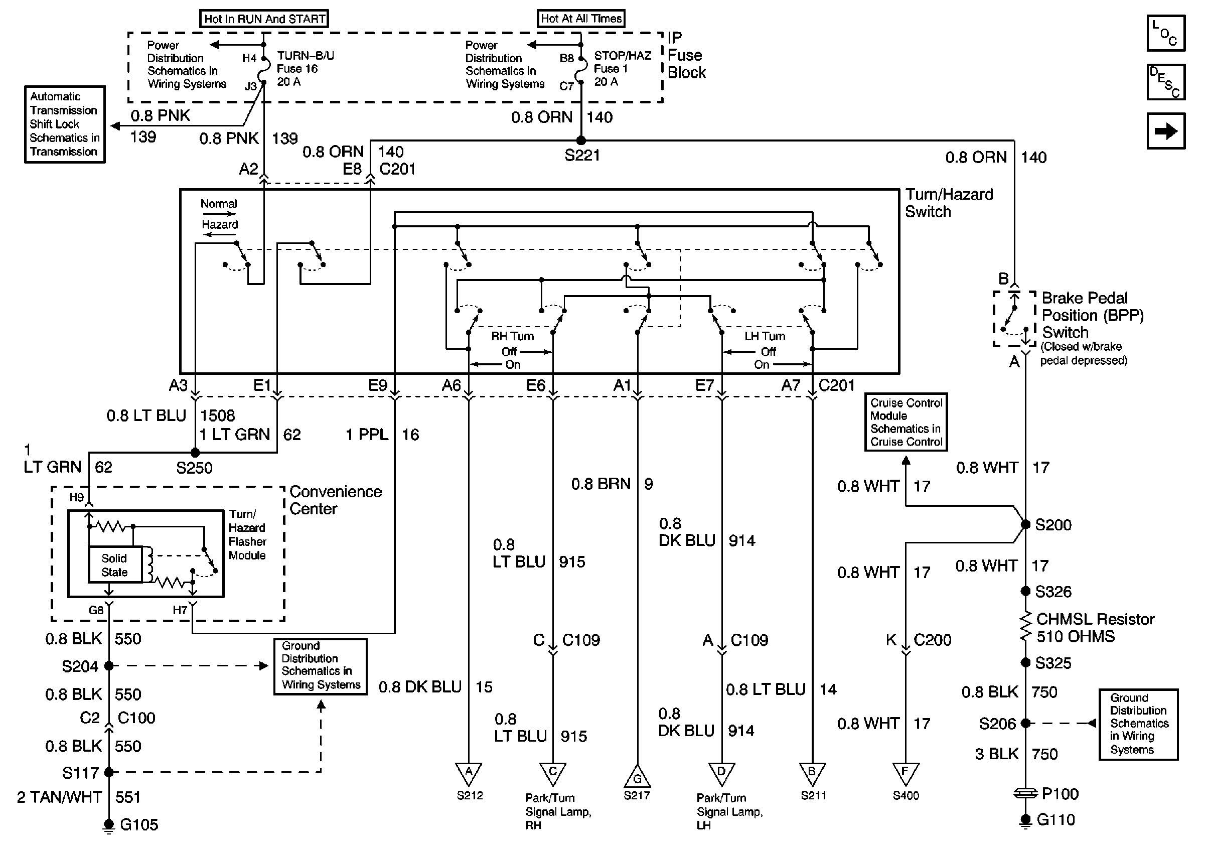
🢒 Turn/Hazard Switch and Flasher Module
Turn/Hazard Switch and Flasher Module
Turn/Hazard Switch and Flasher Module
Lighting Systems Components
Exterior Lights Circuit Description VE1
Turn Indicators, Park/Turn Signal Lamps, Aux T/Sig Lamps, Side Marker Lamps
Auto Trans Shift Lock Control Schematic
IGN-A Fuse and Ignition Switch
BATT and LIGHTING Fuse
Cruise Control Schematics
G105 and G107
G110 (1 of 2)
Turn Indicators, Park/Turn Signal Lamps, Aux T/Sig Lamps, Side Marker Lamps
Turn Indicators, Park/Turn Signal Lamps, Aux T/Sig Lamps, Side Marker Lamps
Turn Indicators, Park/Turn Signal Lamps, Aux T/Sig Lamps, Side Marker Lamps
Turn Indicators, Park/Turn Signal Lamps, Aux T/Sig Lamps, Side Marker Lamps
Turn Indicators, Park/Turn Signal Lamps, Aux T/Sig Lamps, Side Marker Lamps
CHMSL, Tail/Stop Lamps, Rear Turn Signals, License Lamp