GM Service Manual Online
For 1990-2009 cars only
Makes
🢒
Chevrolet
🢒
2000
🢒
Astro - 2WD
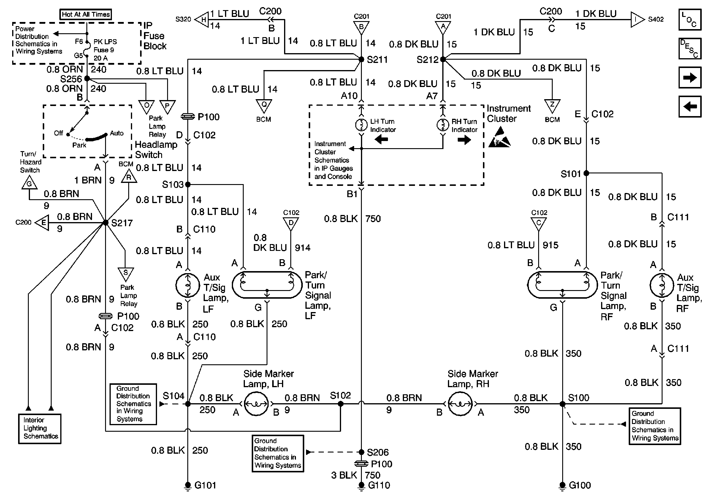
🢒 Turn Indicators, Park/Turn Signal Lamps, Aux T/Sig Lamps, Side Marker Lamps
Turn Indicators, Park/Turn Signal Lamps, Aux T/Sig Lamps, Side Marker Lamps
Turn Indicators, Park/Turn Signal Lamps, Aux T/Sig Lamps, Side Marker Lamps
Lighting Systems Components
Exterior Lights Circuit Description VE1
CHMSL, Tail/Stop Lamps, Rear Turn Signals, License Lamp
Turn/Hazard Switch and Flasher Module
BATT and LIGHTING Fuse
CHMSL, Tail/Stop Lamps, Rear Turn Signals, License Lamp
Turn/Hazard Switch and Flasher Module
Turn/Hazard Switch and Flasher Module
CHMSL, Tail/Stop Lamps, Rear Turn Signals, License Lamp
ILLUM, TRANS, and GAUGES Fuse, and Grounds
Park Lamp Relay
Park Lamp Relay
Turn/Hazard Switch and Flasher Module
CHMSL, Tail/Stop Lamps, Rear Turn Signals, License Lamp
Courtesy Lamp Relay
Turn/Hazard Switch and Flasher Module
Turn/Hazard Switch and Flasher Module
G101, G106 and G302
G110 (1 of 2)
G100, G102 and G103
Window and Door Lock Switches
Park Lamp Relay
Park Lamp Relay
Lighting Systems Schematic Icons
Park Lamp Relay
Park Lamp Relay