GM Service Manual Online
For 1990-2009 cars only
Makes
🢒
Chevrolet
🢒
2000
🢒
Astro - 2WD
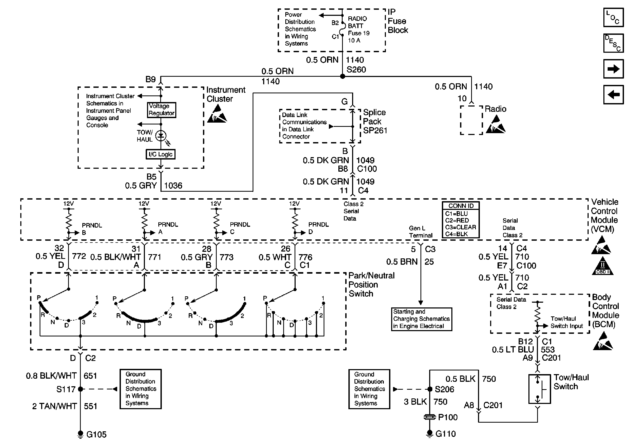
🢒 Transmission Range, Tow/Haul Switch Input Controls
Transmission Range, Tow/Haul Switch Input Controls
Transmission Range, Tow/Haul Switch Input Controls
Engine Controls Components
Transmission Component and System Description
A/C Compressor Controls
Transmission Switch Input Controls
Handling ESD Sensitive Parts Notice
Handling ESD Sensitive Parts Notice
Handling ESD Sensitive Parts Notice
OBD II Symbol Description Notice
Handling ESD Sensitive Parts Notice
G105 and G107
G110 (1 of 2)
Engine Electrical Charging
RADIO BATT Fuse, Data Link, and CRUISE Fuse
Data Link Schematics (1 of 2)