GM Service Manual Online
For 1990-2009 cars only
Makes
🢒
Chevrolet
🢒
2000
🢒
Astro - 2WD
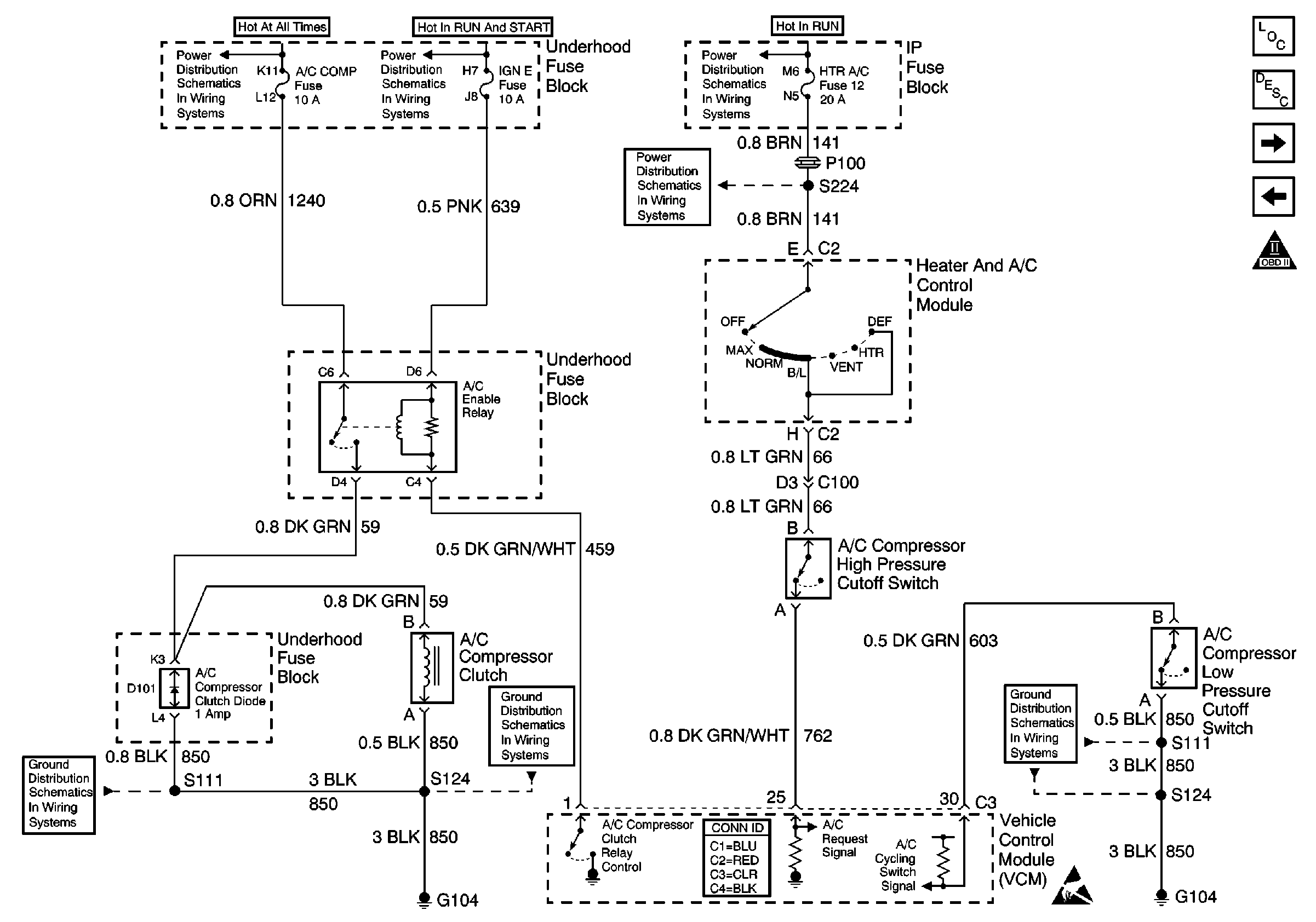
🢒 A/C Compressor Controls
A/C Compressor Controls
A/C Compressor Controls
Engine Controls Components
Information Sensors/Switches Description
Fuel Controls
Transmission Range, Tow/Haul Switch Input Controls
OBD II Symbol Description Notice
Handling ESD Sensitive Parts Notice
Battery, Generator, Starter Solenoid, and Underhood Fuse BLock
IGN-A Fuse and Ignition Switch
Battery, Generator, Starter Solenoid, and Underhood Fuse BLock
HTR-A/C Fuse 12, BRAKE Fuse 18 and CRUISE Fuse 6
G104
G104
G104