GM Service Manual Online
For 1990-2009 cars only
Makes
🢒
Chevrolet
🢒
2001
🢒
Astro - 2WD
🢒 Ignition System Controls
Ignition System Controls
Ignition System Controls
Master Electrical Component List
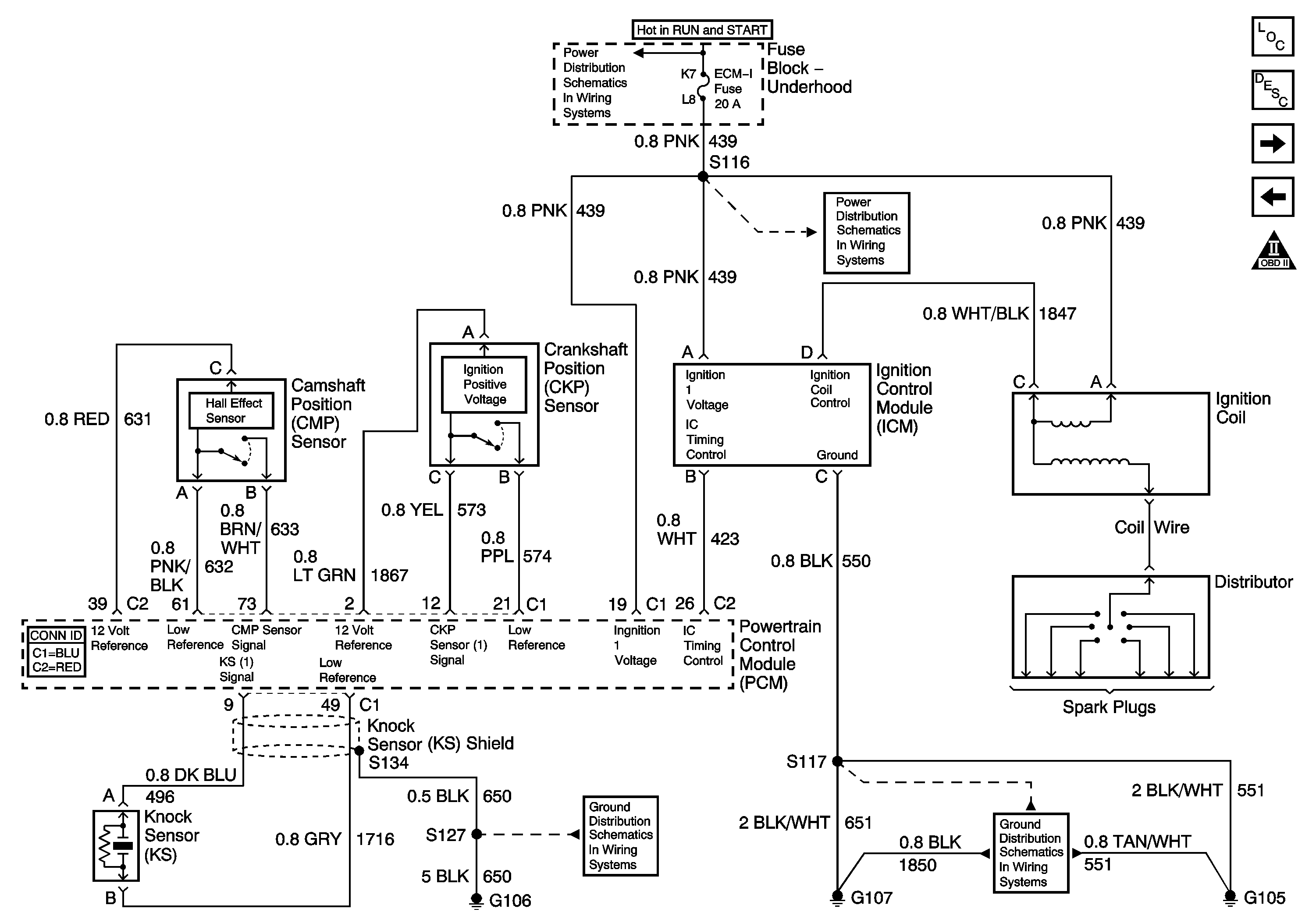
Distributor Ignition (DI) System Description
Fuel Delivery
Power and Ground
OBD II Symbol Description Notice
ECM-1 Fuse
G105 and G107
G101, G106 and G302
ING-A Fuse and Ignition Switch