GM Service Manual Online
For 1990-2009 cars only
Makes
🢒
Chevrolet
🢒
2001
🢒
Astro - 2WD
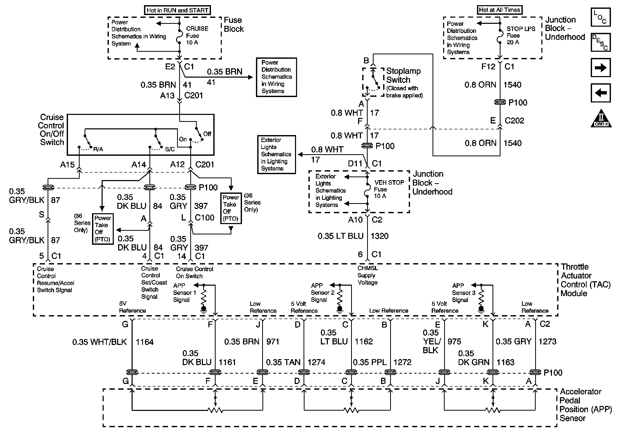
🢒 Cruise Control ON/OFF Switch, STOP LPS Fuse, and Accelerator Pedal Position(APP) Sensor
Cruise Control ON/OFF Switch, STOP LPS Fuse, and Accelerator Pedal Position(APP) Sensor
Cruise Control ON/OFF Switch, STOP LPS Fuse, and Accelerator Pedal Position (APP) Sensor
Master Electrical Component List
Throttle Actuator Control (TAC) System Description
Power Take Off (PTO) Switch, Power Take Off Relay, and PCM
Throttle Actuator Control (TAC) Module, ETC Fuse, Throttle Position Sensor
OBD II Symbol Description Notice
IGNITION, RUN, ACCESSORY, and RAP Bus Bars, RAP #1 and RAP #2 Fuses
BRAKE, CRUISE, HTR A/C, RR WPR, WS WPR, and SEO ACCY Fuses
B+ Bus Bar
STOP LPS, HAZ LP and TURN Fuses, Stoplamp Switch, VEH STOP and CHMSL Fuses
STOP LPS, HAZ LP and TURN Fuses, Stoplamp Switch, VEH STOP and CHMSL Fuses
Power Take Off (PTO) Switch, Power Take Off Relay, and PCM
Power Take Off (PTO) Switch, Power Take Off Relay, and PCM