GM Service Manual Online
For 1990-2009 cars only
Makes
🢒
Chevrolet
🢒
2001
🢒
Astro - 2WD
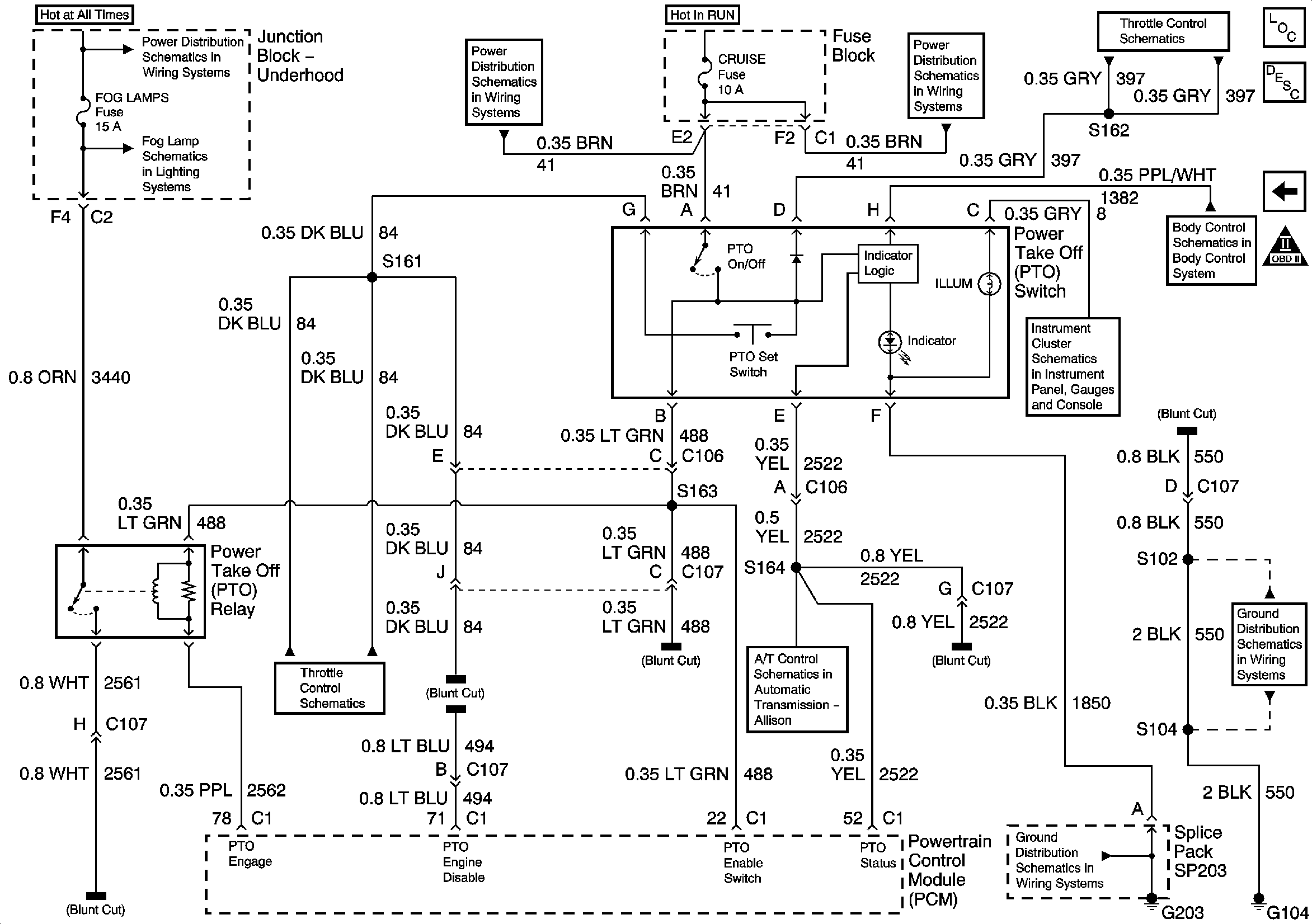
🢒 Power Take Off (PTO) Switch, Power Take Off Relay, and PCM
Power Take Off (PTO) Switch, Power Take Off Relay, and PCM
Power Take Off (PTO) Switch, Power Take Off Relay and PCM
Master Electrical Component List
Throttle Actuator Control (TAC) System Description
Cruise Control ON/OFF Switch, STOP LPS Fuse, and Accelerator Pedal Position(APP) Sensor
OBD II Symbol Description Notice
B+ Bus Bar
Fog Lamps Schematics
BRAKE, CRUISE, HTR A/C, RR WPR, WS WPR, and SEO ACCY Fuses
BRAKE, CRUISE, HTR A/C, RR WPR, WS WPR, and SEO ACCY Fuses
Cruise Control ON/OFF Switch, STOP LPS Fuse, and Accelerator Pedal Position (APP) Sensor
Interior Lighting Systems References
Indicators and Serial Data
Cruise Control ON/OFF Switch, STOP LPS Fuse, and Accelerator Pedal Position (APP) Sensor
G203 - 1 of 4
G104 - Gas