GM Service Manual Online
For 1990-2009 cars only
Makes
🢒
Chevrolet
🢒
2001
🢒
Astro - 2WD
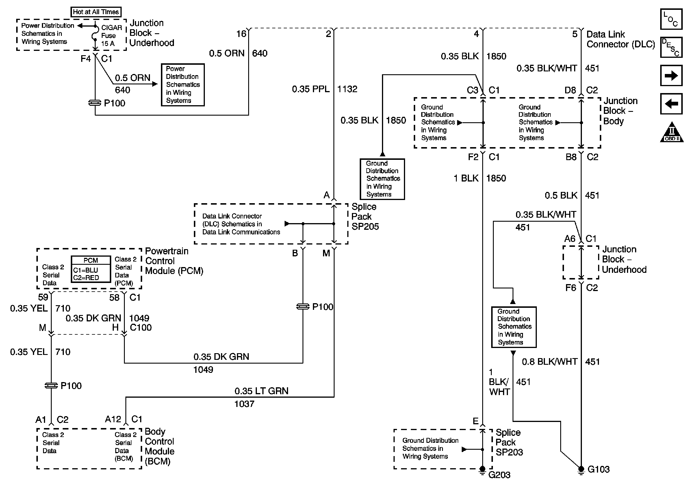
🢒 Data Link Communications
Data Link Communications
Data Link Communications
Master Electrical Component List
Throttle Actuator Control (TAC) System Description
INJ B Fuse, Ignition Coils, and PCM
Engine Data Sensors - VSS
OBD II Symbol Description Notice
B+ Bus Bar
AIR, RADIO, ECM B, FRT HVAC, and CIGAR Fuses
SP205
G203 - 3 of 4 - Base Pickup
G103 and G105 - Gas
G203 - 3 of 4 - Base Pickup
G103 and G105 - Gas
G203 - 1 of 4