GM Service Manual Online
For 1990-2009 cars only
Makes
🢒
Chevrolet
🢒
2001
🢒
Astro - 2WD
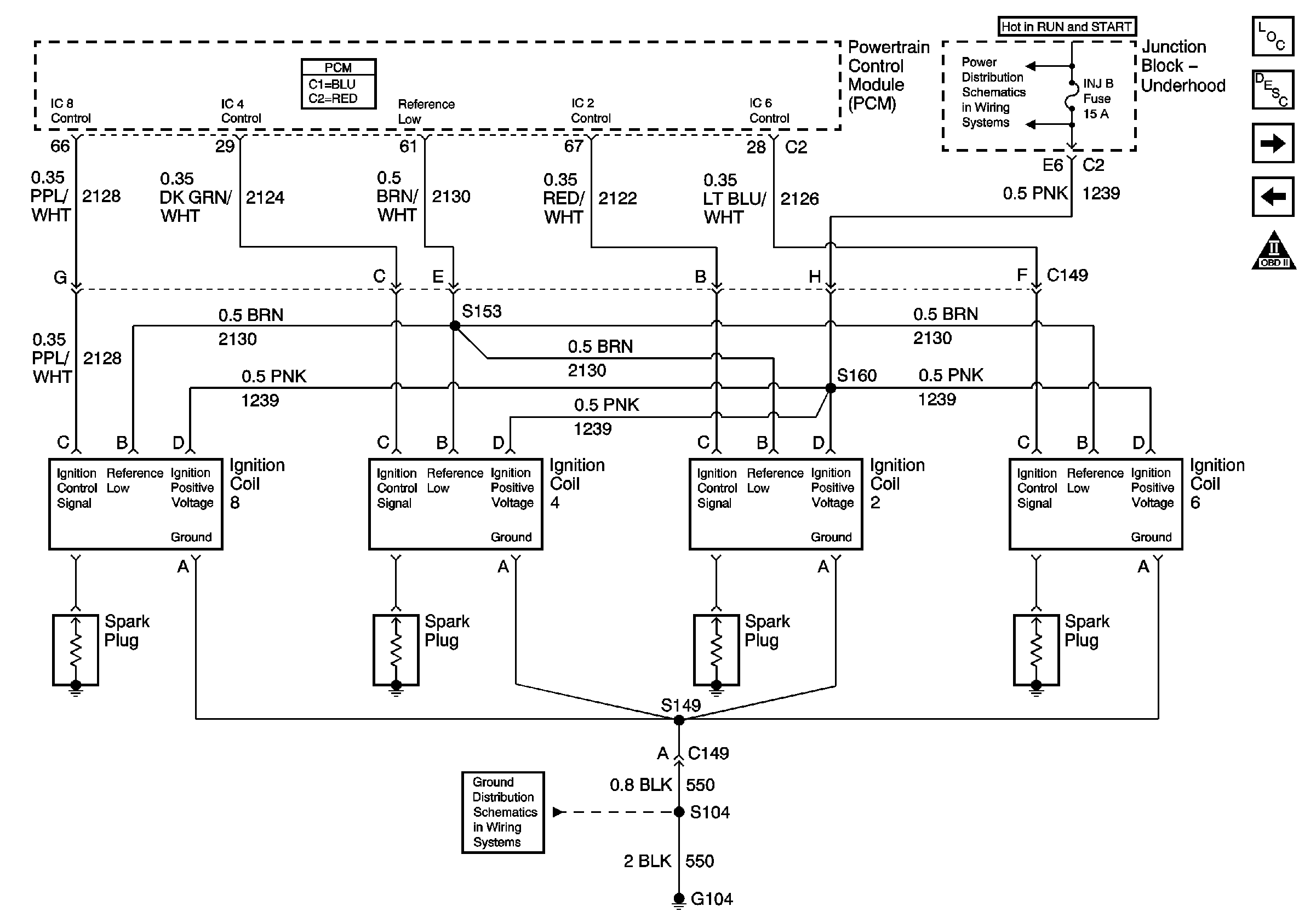
🢒 INJ B Fuse, Ignition Coils, and PCM
INJ B Fuse, Ignition Coils, and PCM
INJ B Fuse, Ignition Coils, and PCM
Master Electrical Component List
Throttle Actuator Control (TAC) System Description
INJ A Fuse, Ignition Coils, and PCM
Engine Data Sensors - VSS
OBD II Symbol Description Notice
IGN 1 Relay, and ECM 1, ETC, INJA, INJB Fuses - Gas
G104 - Gas