GM Service Manual Online
For 1990-2009 cars only
Makes
🢒
Chevrolet
🢒
2001
🢒
Astro - 2WD
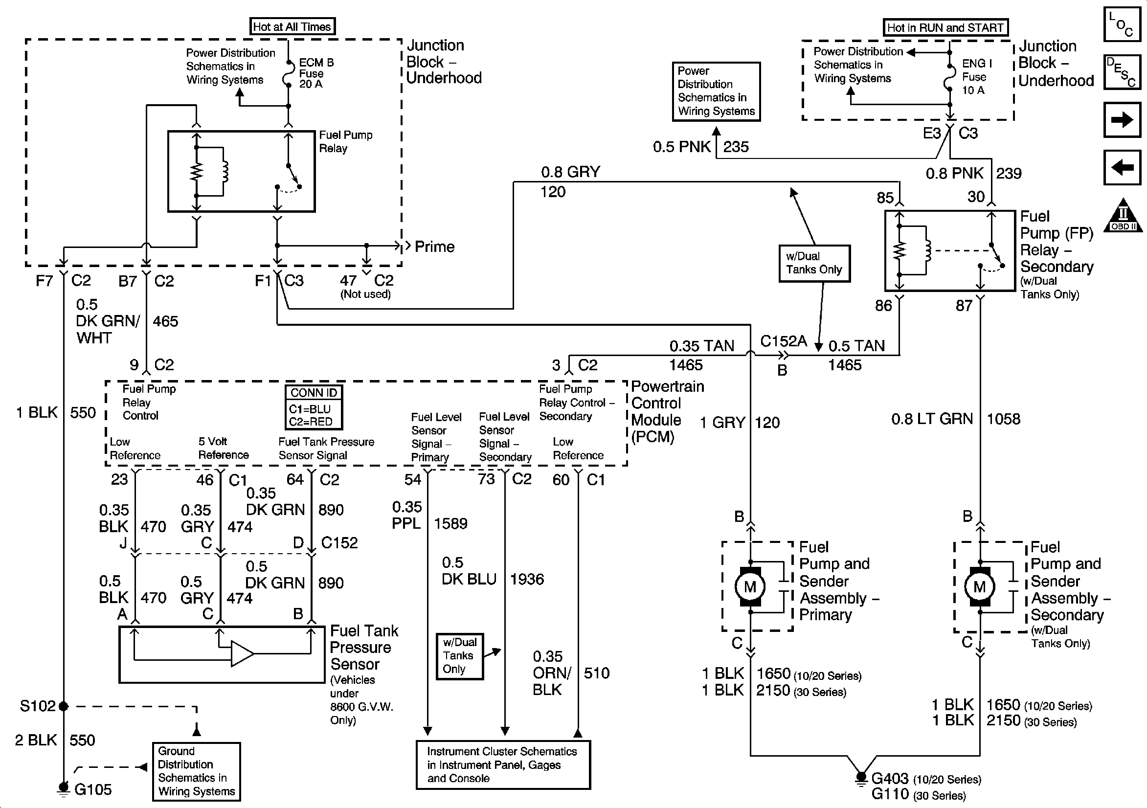
🢒 Fuel Pump Relay, Fuel Tank Pressure Sensor, Primary and Secondary Fuel Pump and Sender Assemblies
Fuel Pump Relay, Fuel Tank Pressure Sensor, Primary and Secondary Fuel Pump and Sender Assemblies
Fuel Pump Relay, Fuel Tank Pressure Sensor, Primary and Secondary Fuel Pump and Sender Assemblies
Master Electrical Component List
Throttle Actuator Control (TAC) System Description
INJ B Fuse, INJ A Fuse, Fuel Injectors, and PCM
Camshaft Position Sensor (CMP), Crankshaft Position Sensor (CKP), and Knock Sensors
OBD II Symbol Description Notice
B+ Bus Bar
O2B, O2A, ENG 1, and IGN E Fuses - Gas
IGNITION, RUN, and START Bus Bar
G103 and G105 - Gas