GM Service Manual Online
For 1990-2009 cars only
Makes
🢒
Chevrolet
🢒
2001
🢒
Astro - 2WD
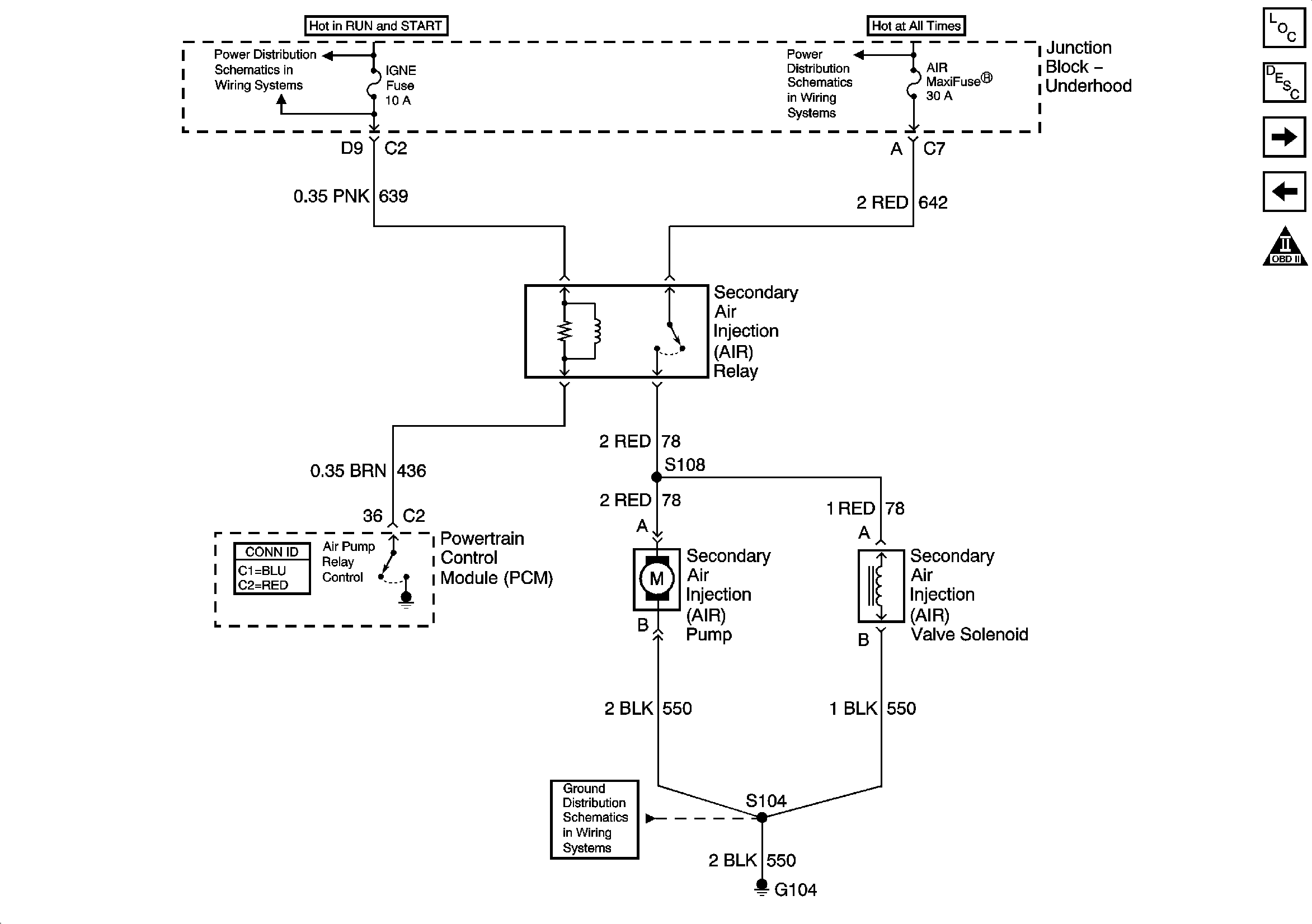
🢒 Secondary Air Injection (AIR)
Secondary Air Injection (AIR)
Secondary Air Injection (AIR)
Master Electrical Component List
Throttle Actuator Control (TAC) System Description
Heated Oxygen Sensors (HO2S)
INJ B Fuse, INJ A Fuse, Fuel Injectors, and PCM
OBD II Symbol Description Notice
IGNITION, RUN, and START Bus Bar
B+ Bus Bar
G104 - Gas