GM Service Manual Online
For 1990-2009 cars only
Makes
🢒
Chevrolet
🢒
2001
🢒
Astro - 2WD
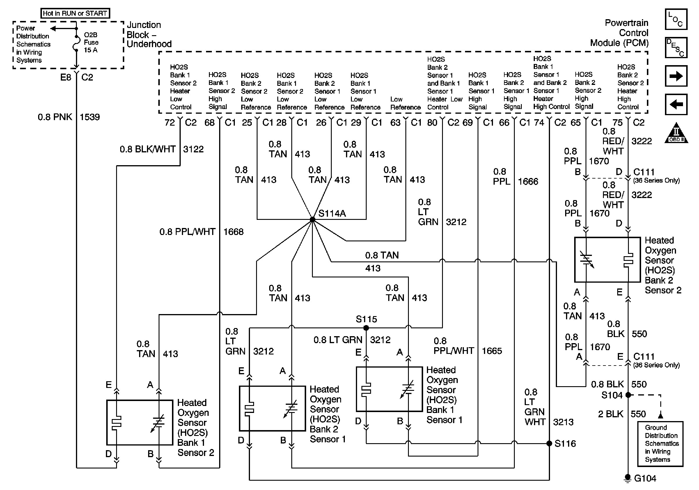
🢒 Heated Oxygen Sensors (HO2S)
Heated Oxygen Sensors (HO2S)
Heated Oxygen Sensors (HO2S)
Master Electrical Component List
Throttle Actuator Control (TAC) System Description
Evaporative Emissions (EVAP) Canister Purge and Vent Solenoids and Exhaust Gas Recirculation (EGR) Valve
Secondary Air Injection (AIR)
OBD II Symbol Description Notice
IGNITION, RUN, and START Bus Bar
Heated Oxygen Sensor (HO2S)