GM Service Manual Online
For 1990-2009 cars only
Makes
🢒
Chevrolet
🢒
2001
🢒
Astro - 2WD
🢒 Window Switches, Window Motors
Window Switches, Window Motors
Window Switches, Window Motors
Master Electrical Component List
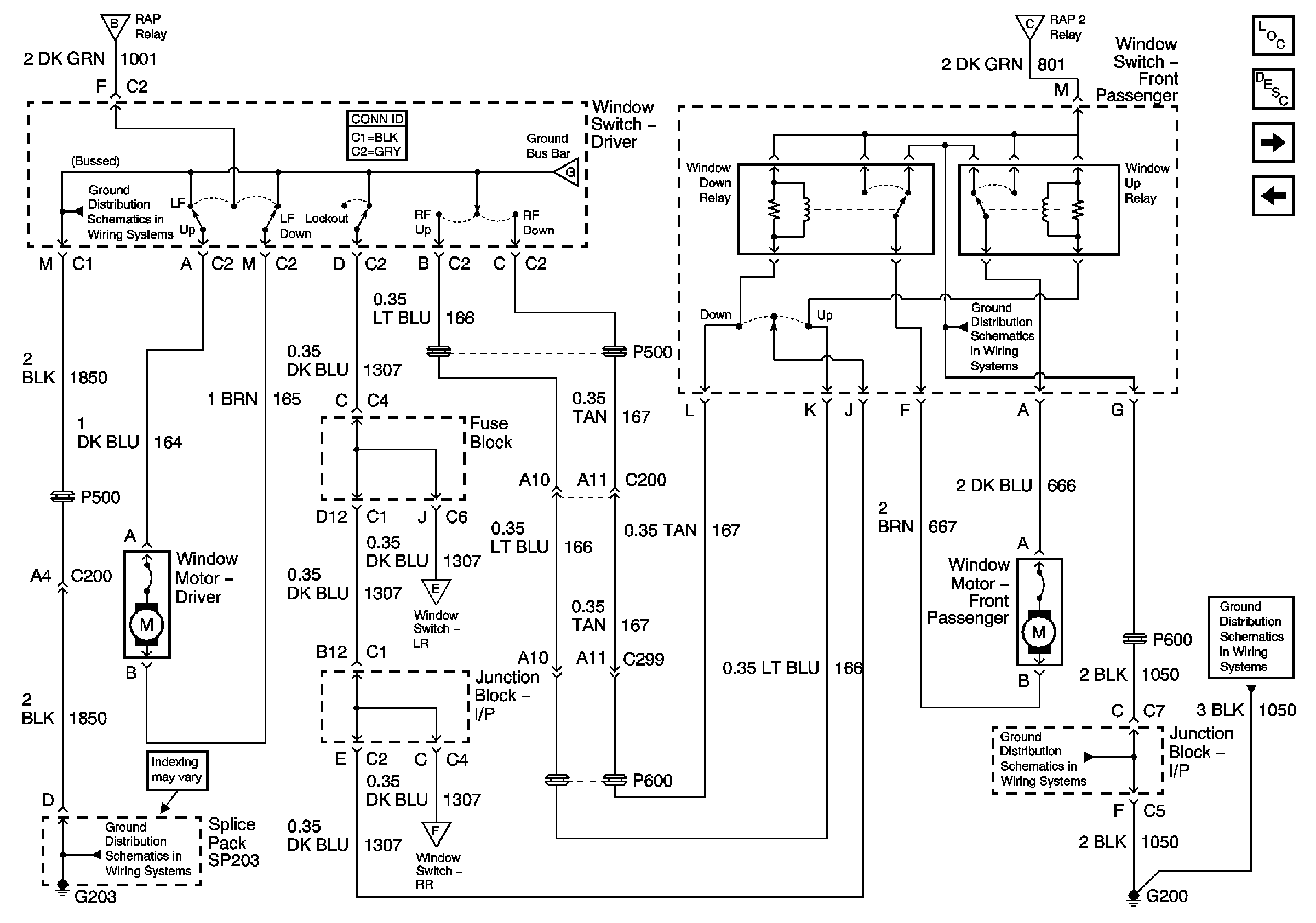
Power Windows Description and Operation
Window Switches-Driver and LR, G305
RAP Relay, RAP 2 Relay, Ignition Switch, BCM
G203 - 1 of 4
RAP Relay, RAP 2 Relay, Ignition Switch, BCM
RAP Relay, RAP 2 Relay, Ignition Switch, BCM
Window Switches-Driver and LR, G305
G200 - 1 of 2
Window Switches-Driver and LR, G305
G200 - 1 of 2
G203 - 1 of 4
Window Switches, G306
G200 - 1 of 2