GM Service Manual Online
For 1990-2009 cars only
Makes
🢒
Chevrolet
🢒
2001
🢒
Astro - 2WD
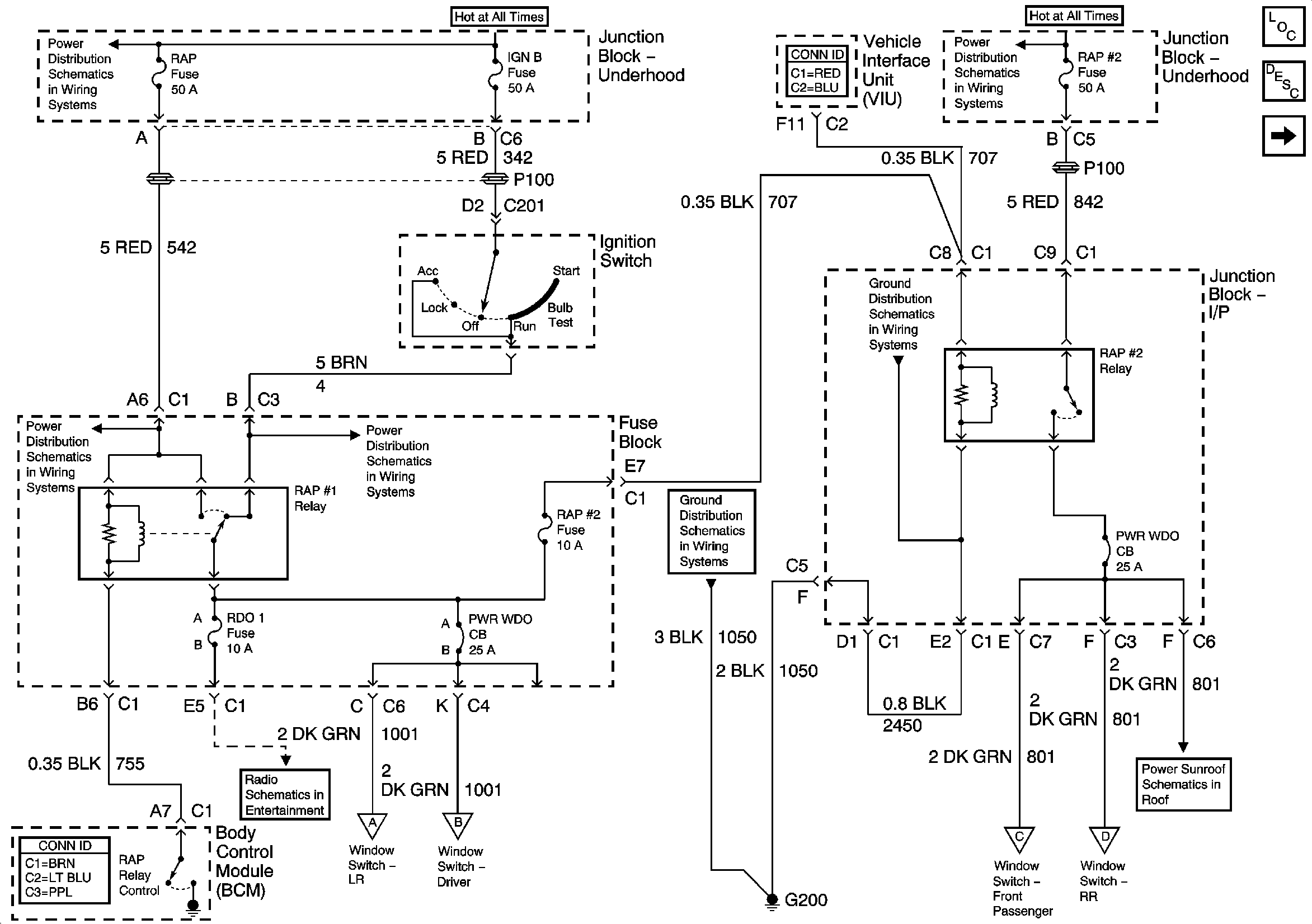
🢒 RAP Relay, RAP 2 Relay, Ignition Switch, BCM
RAP Relay, RAP 2 Relay, Ignition Switch, BCM
RAP Relay, RAP 2 Relay, Ignition Switch, BCM
Master Electrical Component List
Power Windows Description and Operation
Window Switches, Window Motors
Power Sunroof Schematics
RAP Fuse, IGN B Fuse Ignition Switch and RAP Relay
B+ Bus Bar
IGNITION, RUN, ACCESSORY, and RAP Bus Bars, RAP #1 and RAP #2 Fuses
G200 - 1 of 2
IGNITION, RUN, ACCESSORY, and RAP Bus Bars, RAP #1 and RAP #2 Fuses
IGNITION, RUN, ACCESSORY, and RAP Bus Bars, RAP #1 and RAP #2 Fuses
G200 - 1 of 2
Window Switches-Driver and LR, G305
Window Switches, Window Motors
Window Switches, Window Motors
Window Switches, G306