GM Service Manual Online
For 1990-2009 cars only
Makes
🢒
Chevrolet
🢒
2001
🢒
Astro - 2WD
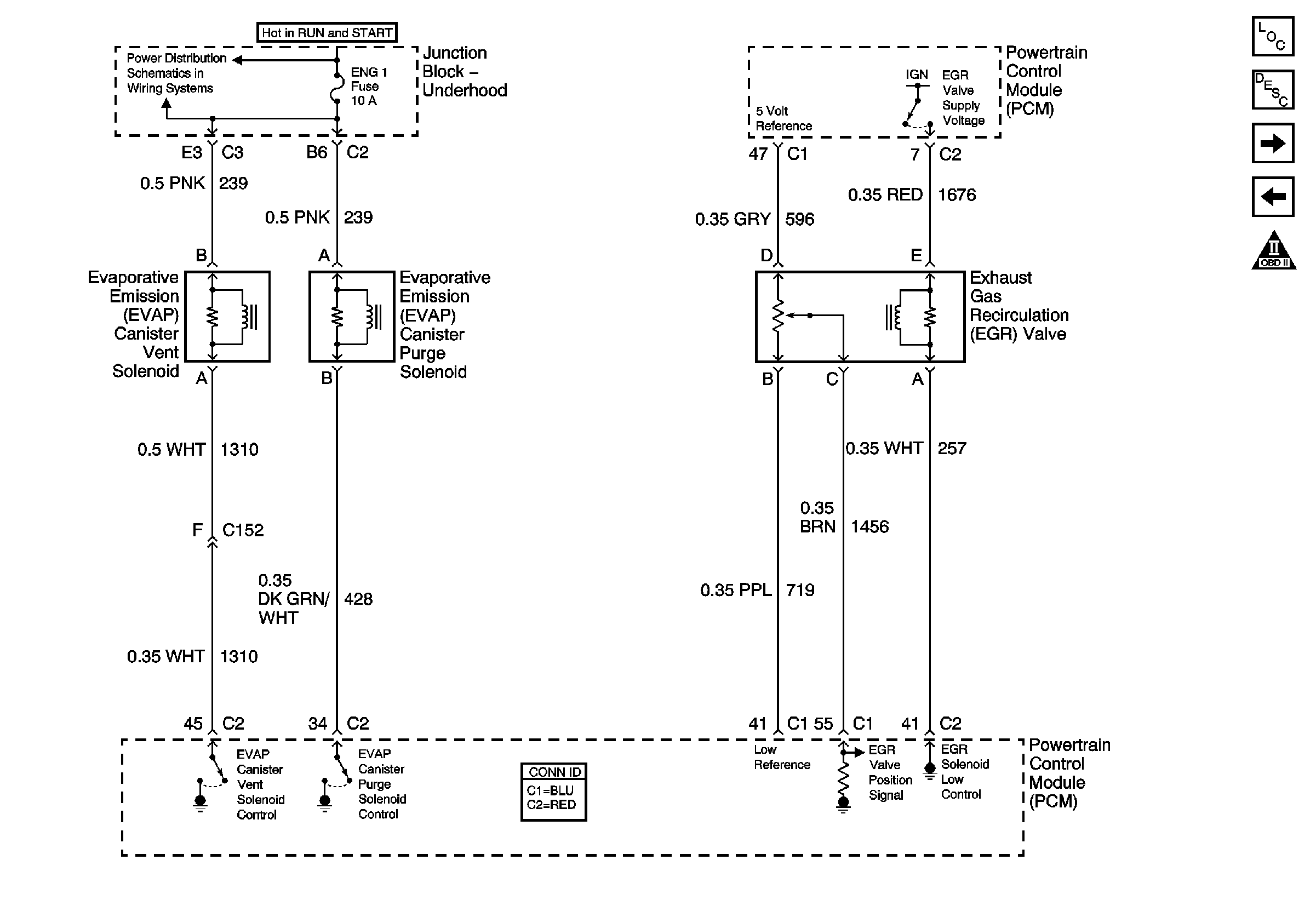
🢒 EVAP Controls and EGR
EVAP Controls and EGR
EVAP Controls and EGR
Engine Controls Component Views
Evaporative Emission Control System Description
Engine Oil Level, Coolant Level, CPP and Cruise Control Module
Heated Oxygen Sensor (HO2S)
OBD II Symbol Description Notice
IGNITION, RUN, and START Bus Bar