GM Service Manual Online
For 1990-2009 cars only
Makes
🢒
Chevrolet
🢒
2001
🢒
Astro - 2WD
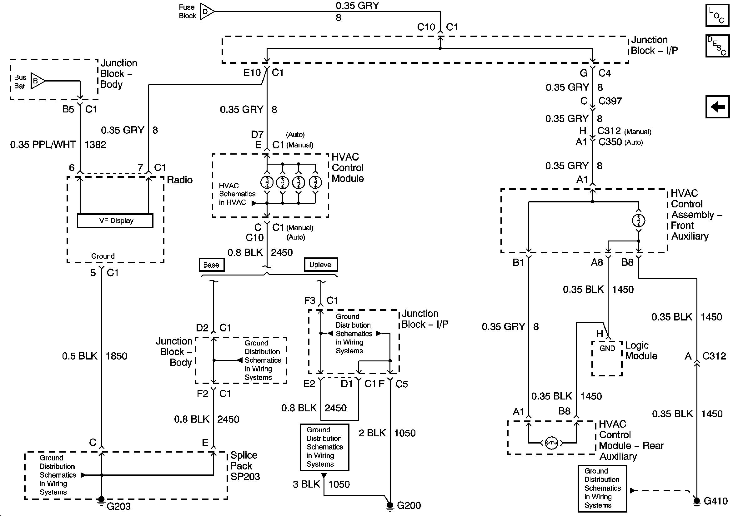
🢒 HVAC Control Module, HVAC Control Assembly - Front Auxiliary, and Radio
HVAC Control Module, HVAC Control Assembly - Front Auxiliary, and Radio
HVAC Control Module, HVAC Control Assembly -- Front Auxiliary, and Radio
Master Electrical Component List
Interior Lighting Systems Description and Operation
Transfer Case Shift Control and Traction Control Switches and IPC
Dimming Control, Rear Wiper/Washer, Roof Beacon, and Selectable Ride Switches
Transfer Case Shift Control and Traction Control Switches and IPC
Primary Blower Controls
G200 - 1 of 2
G203 - 1 of 4
G200 - 1 of 2
G203 - 4 of 4 - Utility and Uplevel Pickup
G410 - 1 of 2