GM Service Manual Online
For 1990-2009 cars only
Makes
🢒
Chevrolet
🢒
2001
🢒
Astro - 2WD
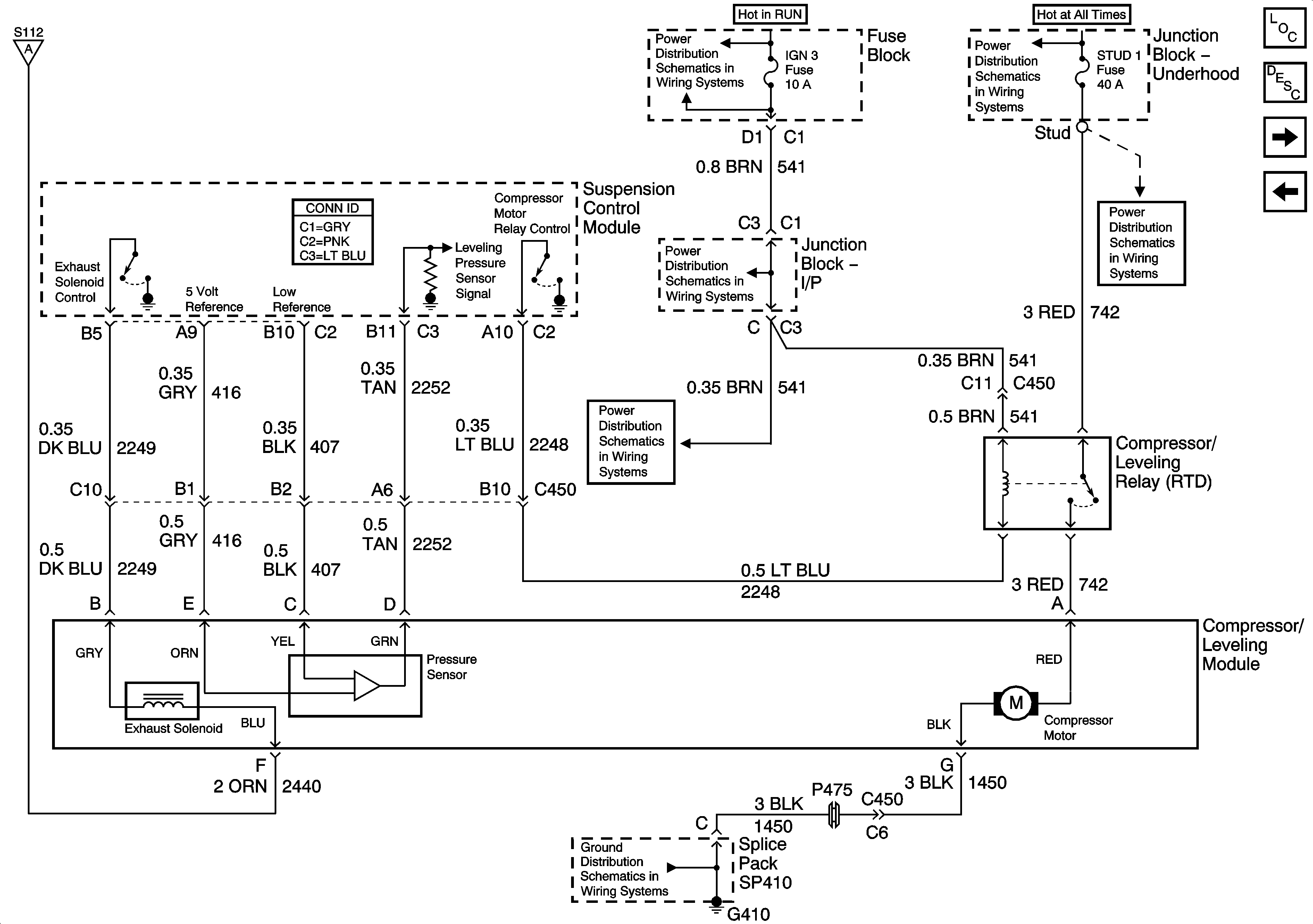
🢒 Compressor/Leveling Controls
Compressor/Leveling Controls
Compressor/Leveling Controls
Master Electrical Component List
Real Time Damping Description and Operation
Steering Wheel Speed/Position Sensor and EVO Solenoid
Power, Ground, Serial Data
Power, Ground, Serial Data
IGNITION, RUN, ACCESSORY, and RAP Bus Bars, RAP #1 and RAP #2 Fuses
B+ Bus Bar
IGN 3 Fuse - 1 of 2
ABS, HAZ LP, STUD 1, STUD 2, CTSY LP, and PARK LP Fuses
IGN 3 Fuse - 1 of 2
G410 - 1 of 2