GM Service Manual Online
For 1990-2009 cars only
Makes
🢒
Chevrolet
🢒
2001
🢒
Astro - 2WD
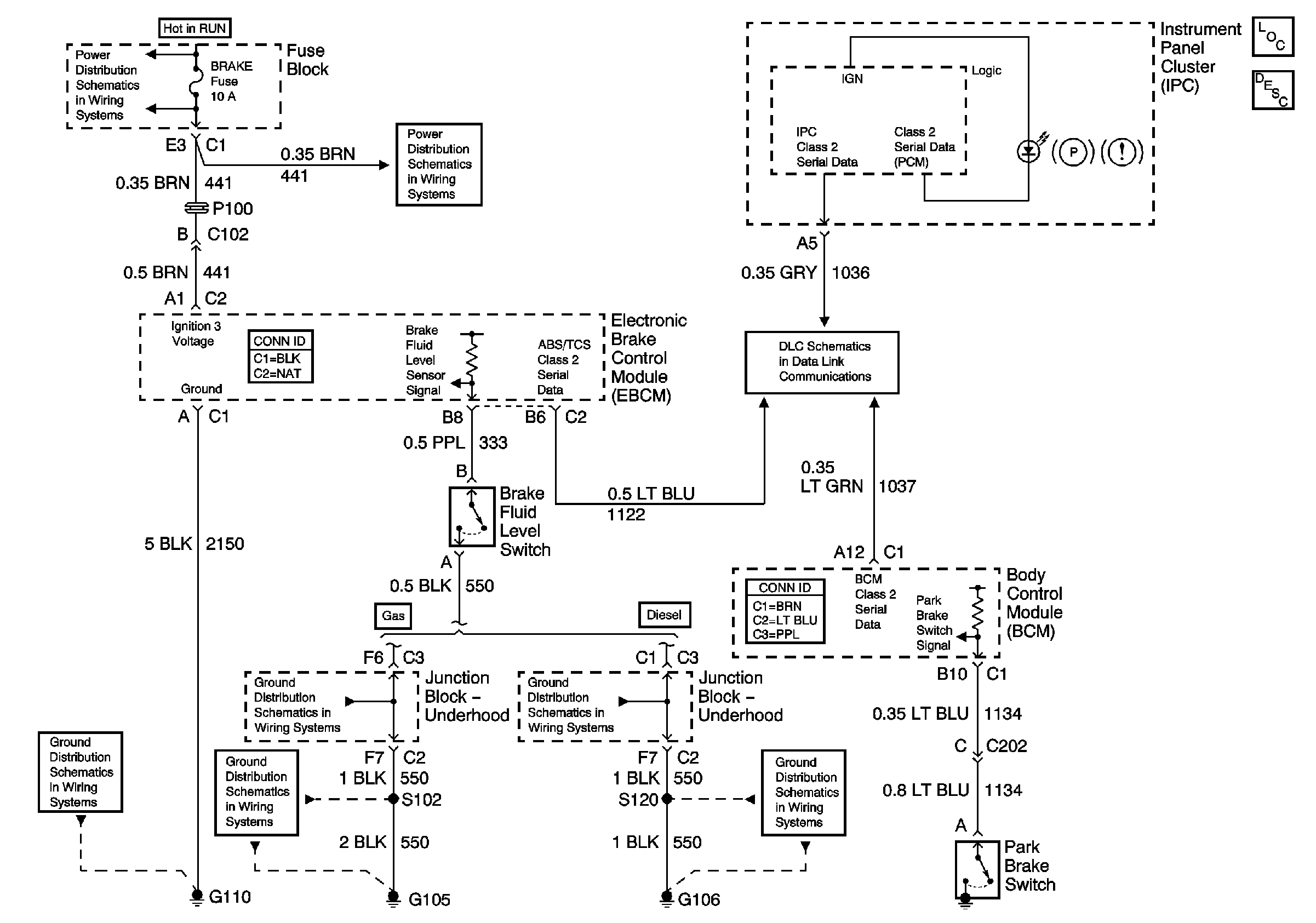
🢒 Brake Warning Schematics
Brake Warning Schematics
Master Electrical Component List
Brake Warning System Description and Operation
IGNITION, RUN, ACCESSORY, and RAP Bus Bars, RAP #1 and RAP #2 Fuses
BRAKE, CRUISE, HTR A/C, RR WPR, WS WPR, and SEO ACCY Fuses
SP205
G100 and G110
G103 and G105 - Gas
G103 and G105 - Gas
G106 - Diesel
G106 - Diesel