GM Service Manual Online
For 1990-2009 cars only
Makes
🢒
Chevrolet
🢒
2001
🢒
Astro - 2WD
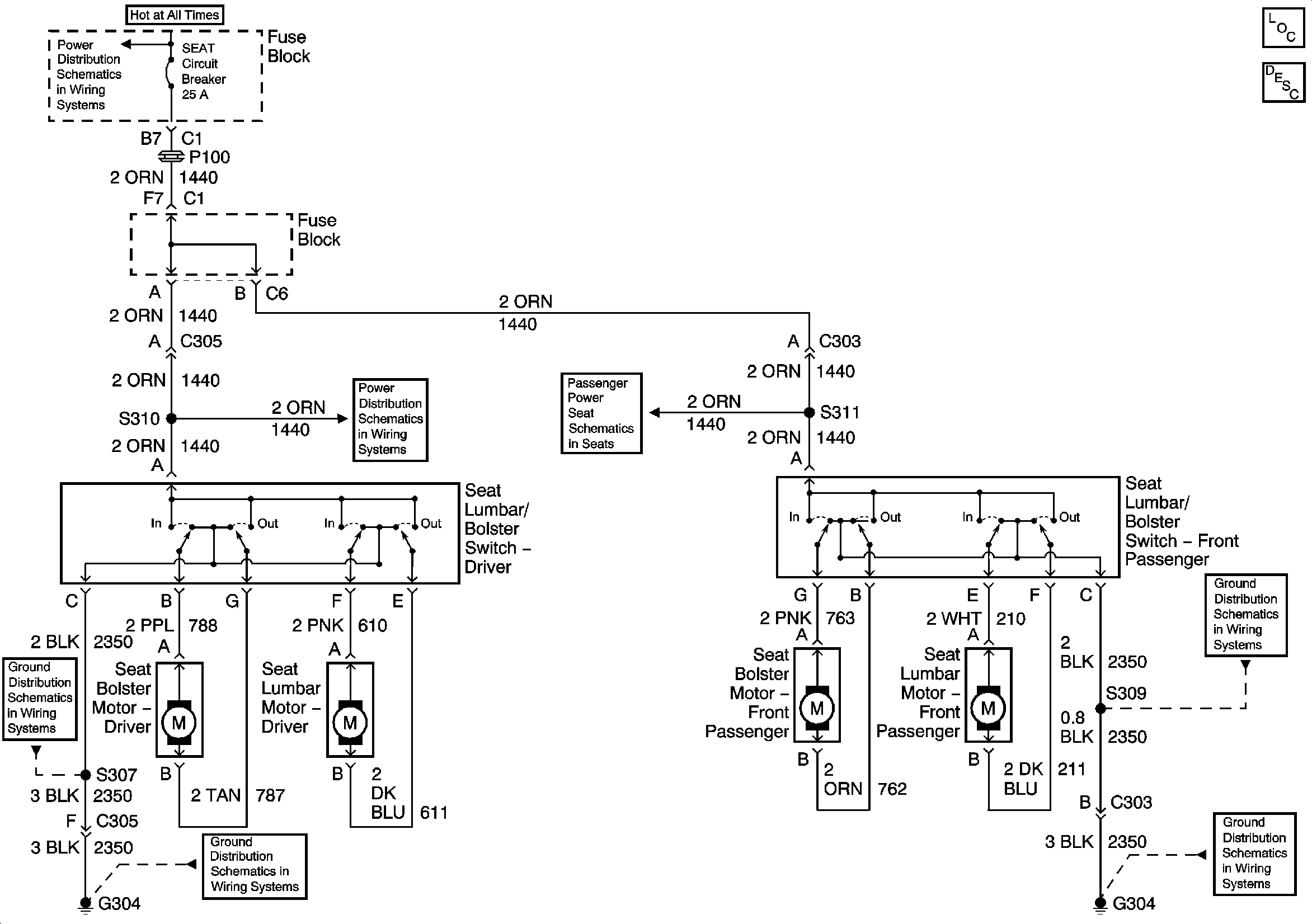
🢒 Lumbar Support Schematics - Utility
Lumbar Support Schematics - Utility
Power Seat Component Views
Lumbar Support Description and Operation
SEATS Circuit Breaker and MIR/LOCK Fuse
SEATS Circuit Breaker and MIR/LOCK Fuse
Seat Adjuster Switch - Driver, Seat CB and Seat Horizontal Motor
G304
G304
G304
G304