GM Service Manual Online
For 1990-2009 cars only
Makes
🢒
Chevrolet
🢒
2001
🢒
Astro - 2WD
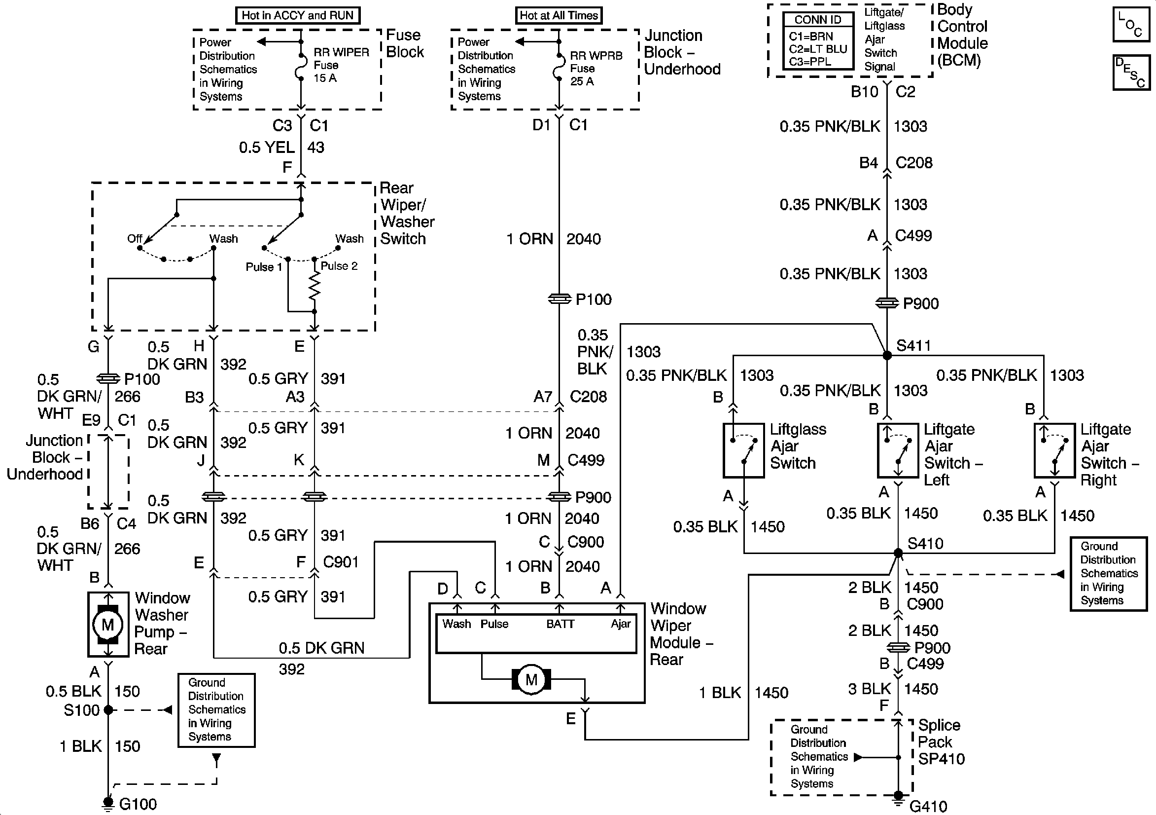
🢒 Rear Wiper/Washer Controls
Rear Wiper/Washer Controls
Master Electrical Component List
Rear Wiper/Washer System Description and Operation
IGNITION, RUN, ACCESSORY, and RAP Bus Bars, RAP #1 and RAP #2 Fuses
B+ Bus Bar
G100 and G110
G410 - 2 of 2
G410 - 2 of 2