GM Service Manual Online
For 1990-2009 cars only
Makes
🢒
Chevrolet
🢒
2001
🢒
Astro - 2WD
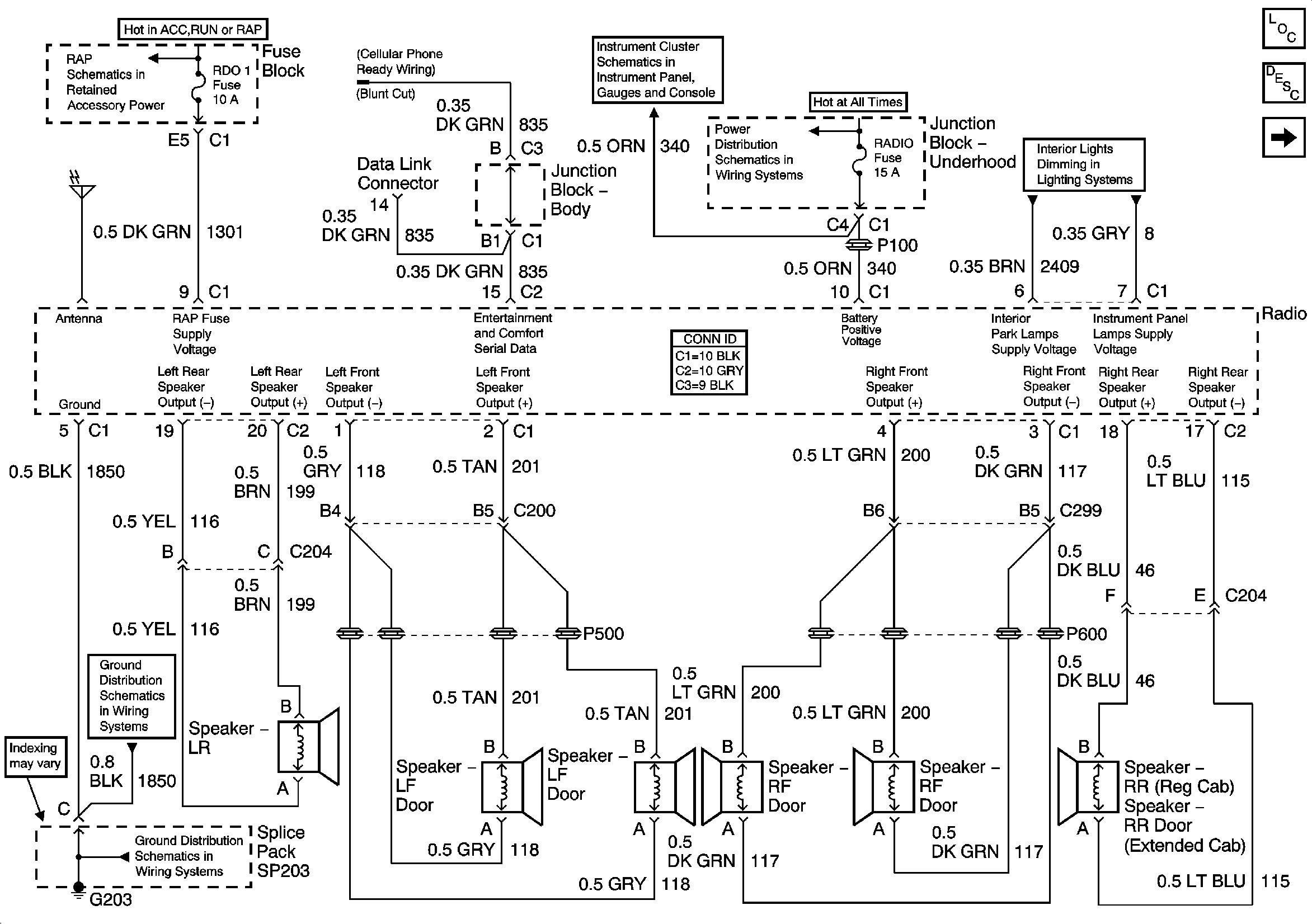
🢒 RADIO Fuse, Radio, Speakers, and SP203
RADIO Fuse, Radio, Speakers, and SP203
RADIO Fuse, Radio, Speakers, and SP203
Master Electrical Component List
Radio/Audio System Description and Operation
Radio, Remote Playback Device - CD Player
Pickup
Power and Ground
B+ Bus Bar
Transfer Case Shift Control, Roof Beacon, and Inflatable Restraint IP Module Disable Switches, HVAC Control Module, IPC, and Radio
G203 - 1 of 4
G203 - 1 of 4