GM Service Manual Online
For 1990-2009 cars only
Makes
🢒
Chevrolet
🢒
2001
🢒
Astro - 2WD
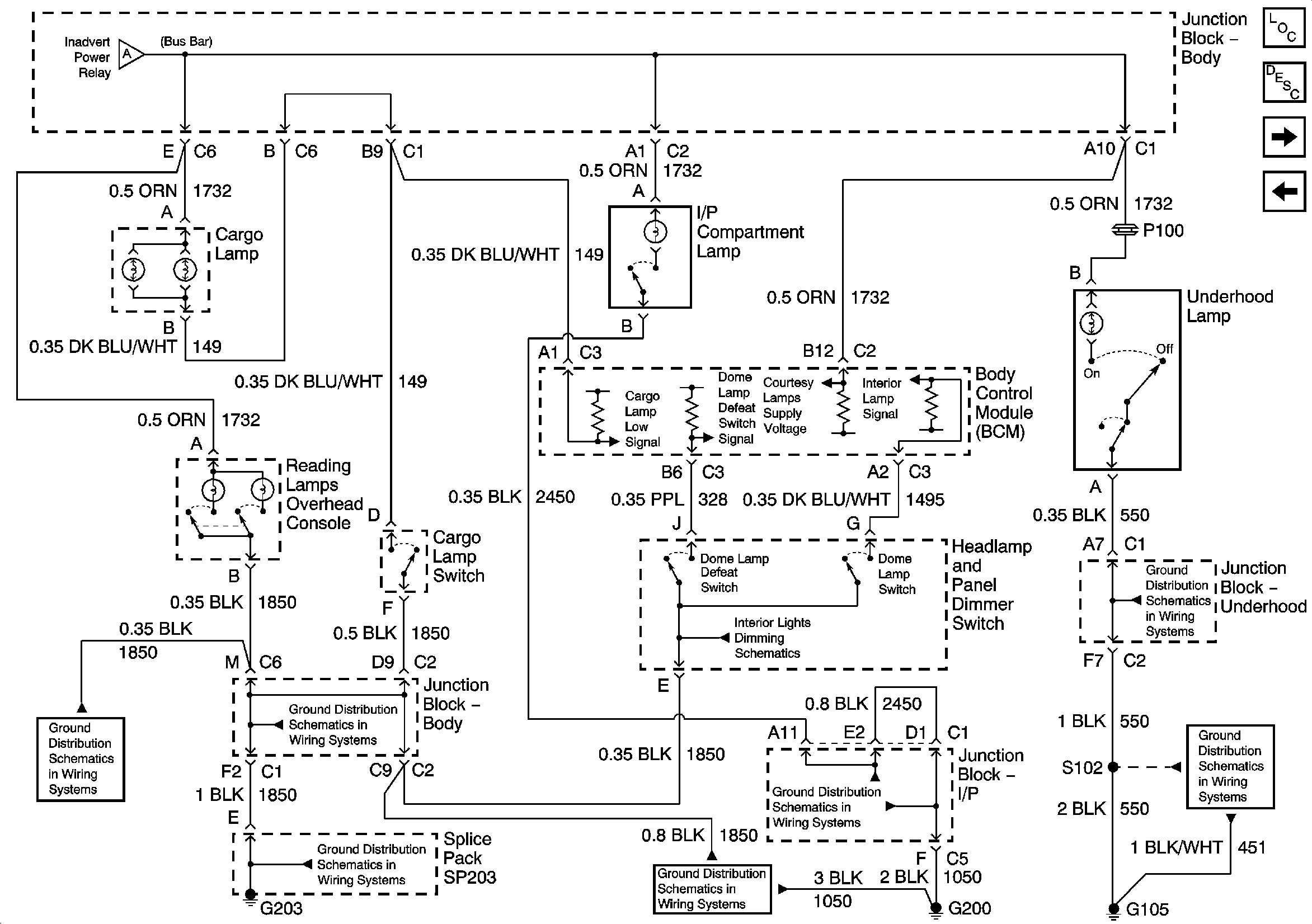
🢒 I/P Compartment Lamp, Underhood Lamp, Reading Lamps and Cargo Lamps
I/P Compartment Lamp, Underhood Lamp, Reading Lamps and Cargo Lamps
I/P Compartment Lamp, Underhood Lamp, Reading Lamps and Cargo Lamps
Master Electrical Component List
Interior Lighting Systems Description and Operation
Window/Door Lock Switches, Outside Rearview Mirror Switch, Heated Seat Switch and Ashtray Lamp
Dome Lamp and Courtesy Lamp Control
Dome Lamp and Courtesy Lamp Control
G104 - Gas
G103 and G105 - Gas
G203 - 4 of 4 - Utility and Uplevel Pickup
G203 - 4 of 4 - Utility and Uplevel Pickup
G203 - 1 of 4
G200 - 1 of 2
Dimming Control, Traction Control, Fog Lamp and Selectable Ride Switches
G200 - 1 of 2