GM Service Manual Online
For 1990-2009 cars only
Makes
🢒
Chevrolet
🢒
2001
🢒
Astro - 2WD
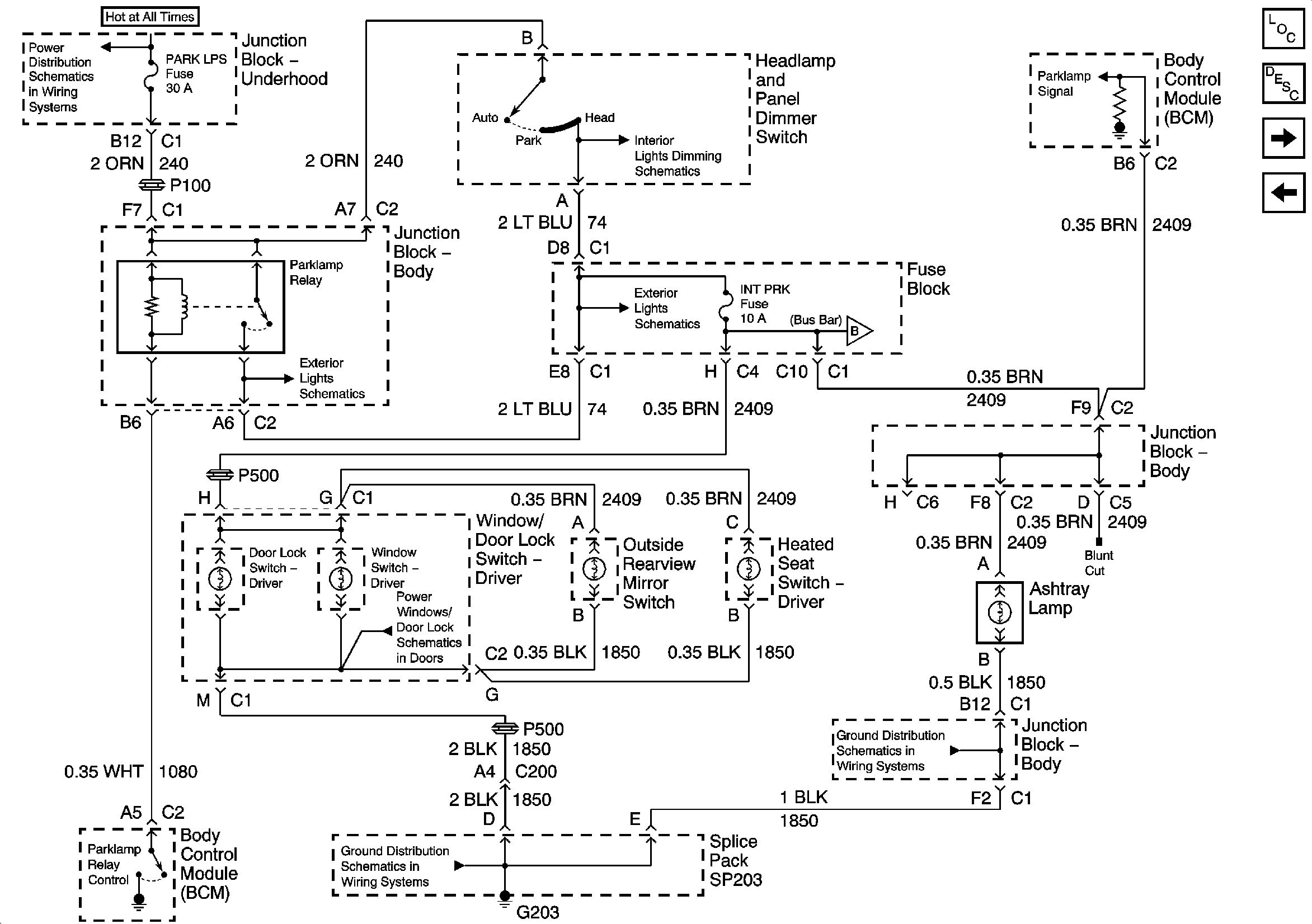
🢒 Window/Door Lock Switches, Outside Rearview Mirror Switch, Heated Seat Switch and Ashtray Lamp
Window/Door Lock Switches, Outside Rearview Mirror Switch, Heated Seat Switch and Ashtray Lamp
Window/Door Lock Switches, Outside Rearview Mirror Switch, Heated Seat Switch and Ashtray Lamp
Master Electrical Component List
Interior Lighting Systems Description and Operation
RF Heated Seat Switch, Window/Door Lock Switch - Front Passenger, and Mini Wedges
I/P Compartment Lamp, Underhood Lamp, Reading Lamps and Cargo Lamps
B+ Bus Bar
Dimming Control, Traction Control, Fog Lamp and Selectable Ride Switches
Park Lamp Relay, FR PRK, TRL PRK, LR PRK, and RR PRK Fuses
INT PRK Fuse, Roof Marker Lamps and Clearance Lamps
RF Heated Seat Switch, Window/Door Lock Switch - Front Passenger, and Mini Wedges
Window/Door Lock Switch, Window Relays, G200
G203 - 1 of 4
G203 - 4 of 4 - Utility and Uplevel Pickup