GM Service Manual Online
For 1990-2009 cars only
Makes
🢒
Chevrolet
🢒
2001
🢒
Astro - 2WD
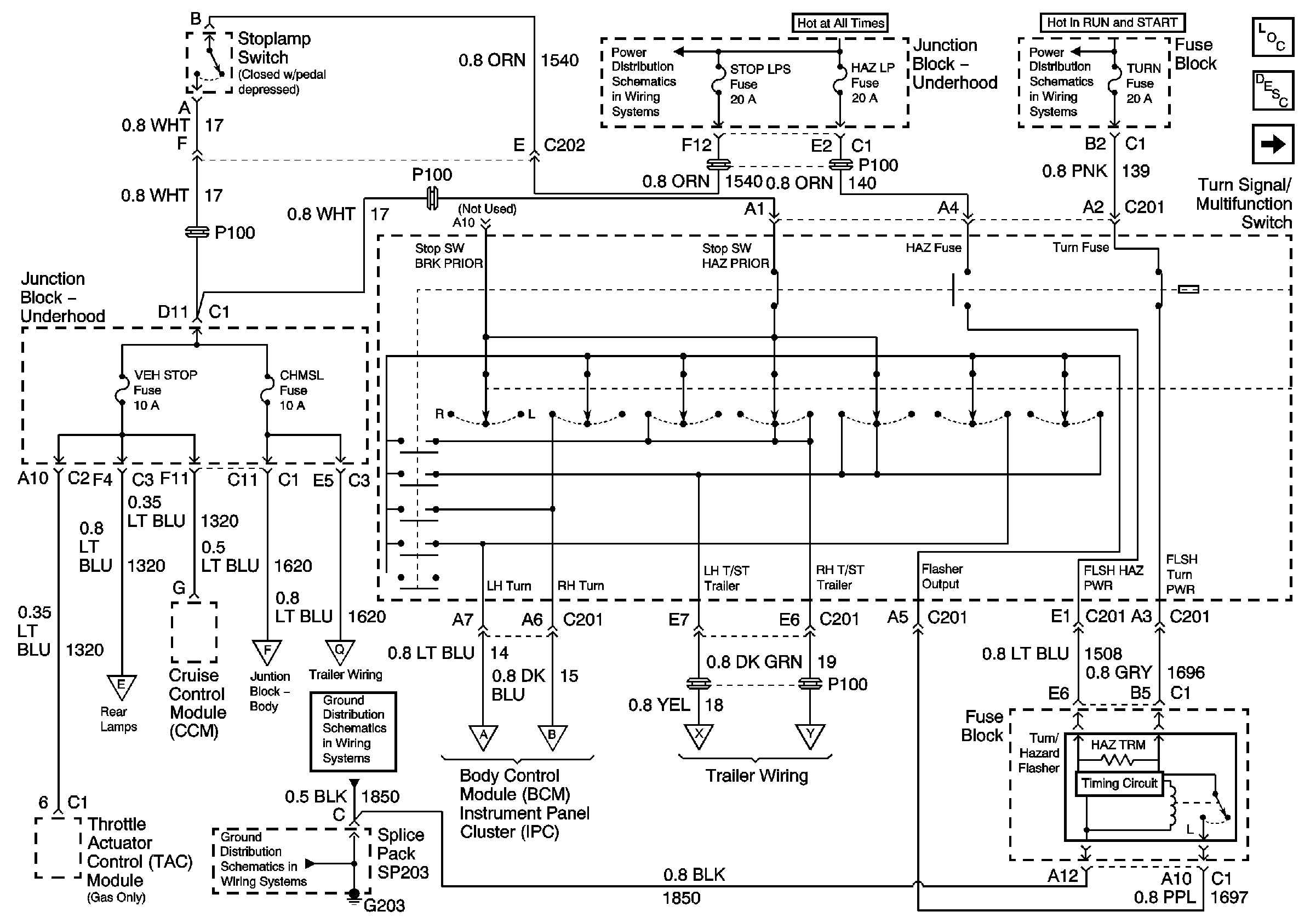
🢒 STOP LPS, HAZ LP, and TURN Fuses
STOP LPS, HAZ LP, and TURN Fuses
STOP LPS, HAZ LP and TURN Fuses
Master Electrical Component List
Exterior Lighting Systems Description and Operation
LT TURN Fuse, RT TURN Fuse, and Turn Signal Lamps
B+ Bus Bar
IGNITION, RUN, and START Bus Bar
Tail/Stop Lamps, License Lamps, Cargo Lamps and CHMSL - Pickup
Tail/Stop Lamps, License Lamps, Cargo Lamps and CHMSL - Pickup
TRL R TURN and L TURN Fuses and Trailer Connector
LT TURN Fuse, RT TURN Fuse, and Turn Signal Lamps
LT TURN Fuse, RT TURN Fuse, and Turn Signal Lamps
TRL R TURN and L TURN Fuses and Trailer Connector
TRL R TURN and L TURN Fuses and Trailer Connector
G203 - 1 of 4
G203 - 1 of 4