GM Service Manual Online
For 1990-2009 cars only
Makes
🢒
Chevrolet
🢒
2001
🢒
Astro - 2WD
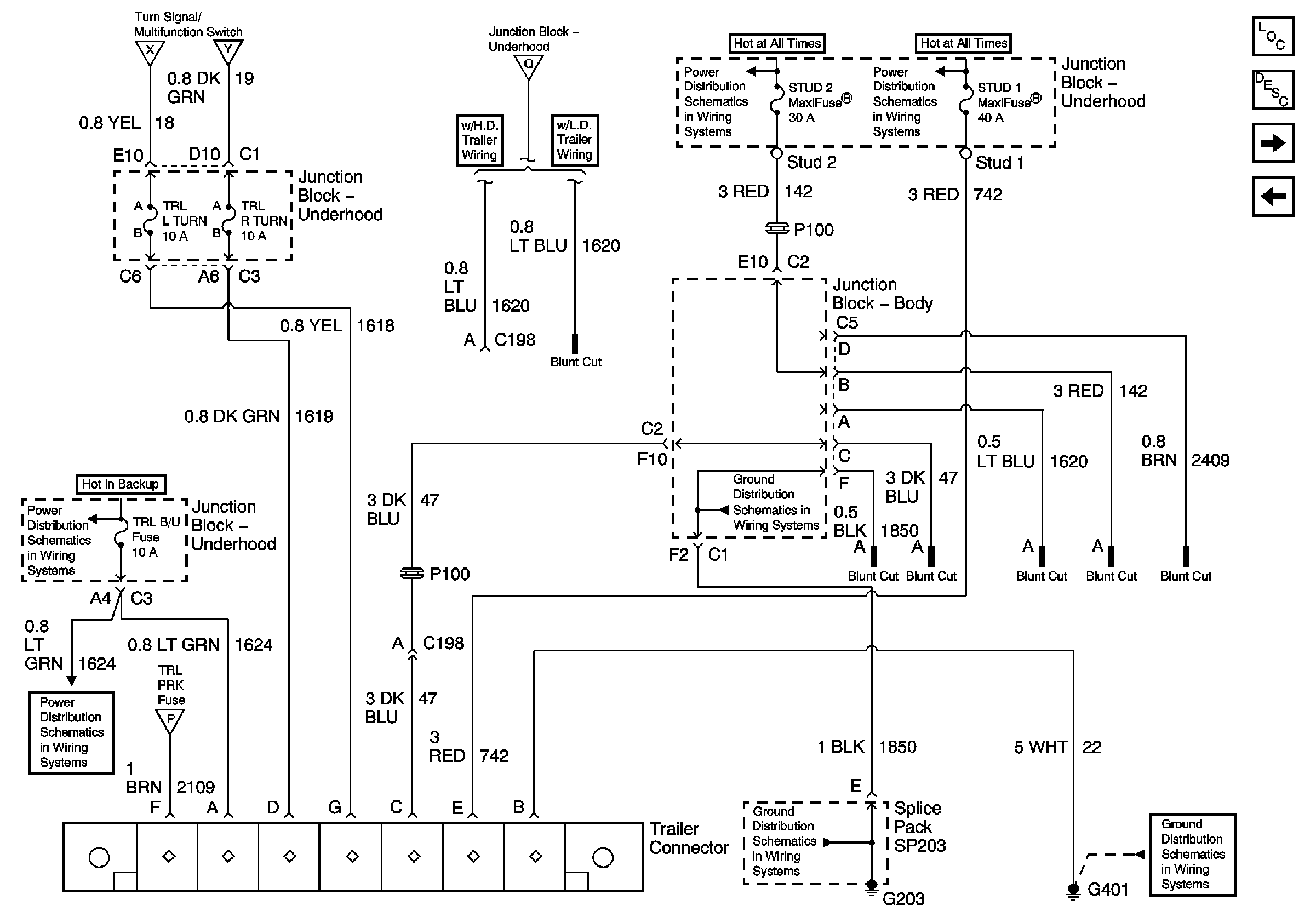
🢒 TRL R TURN and L TURN Fuses and Trailer Connector
TRL R TURN and L TURN Fuses and Trailer Connector
TRL R TURN and L TURN Fuses and Trailer Connector
Master Electrical Component List
Exterior Lighting Systems Description and Operation
Camper Inline Connector and Trailer Inline Connector
Roof Beacon Switch and Relay
STOP LPS, HAZ LP, and TURN Fuses
STOP LPS, HAZ LP, and TURN Fuses
B+ Bus Bar
B+ Bus Bar
STOP LPS, HAZ LP, and TURN Fuses
G203 - 3 of 4 - Base Pickup
B/U LP, BTSI, VEH B/U, and TRL B/U Fuses
PARK LPS Fuse, Headlamp Switch, FR PRK, TRL PRK, LR PRK and RR PRK Fuses
G203 - 1 of 4
G401 - w/o Rear Bussing Block
B/U LP, BTSI, VEH B/U, and TRL B/U Fuses