GM Service Manual Online
For 1990-2009 cars only
Makes
🢒
Chevrolet
🢒
2001
🢒
Astro - 2WD
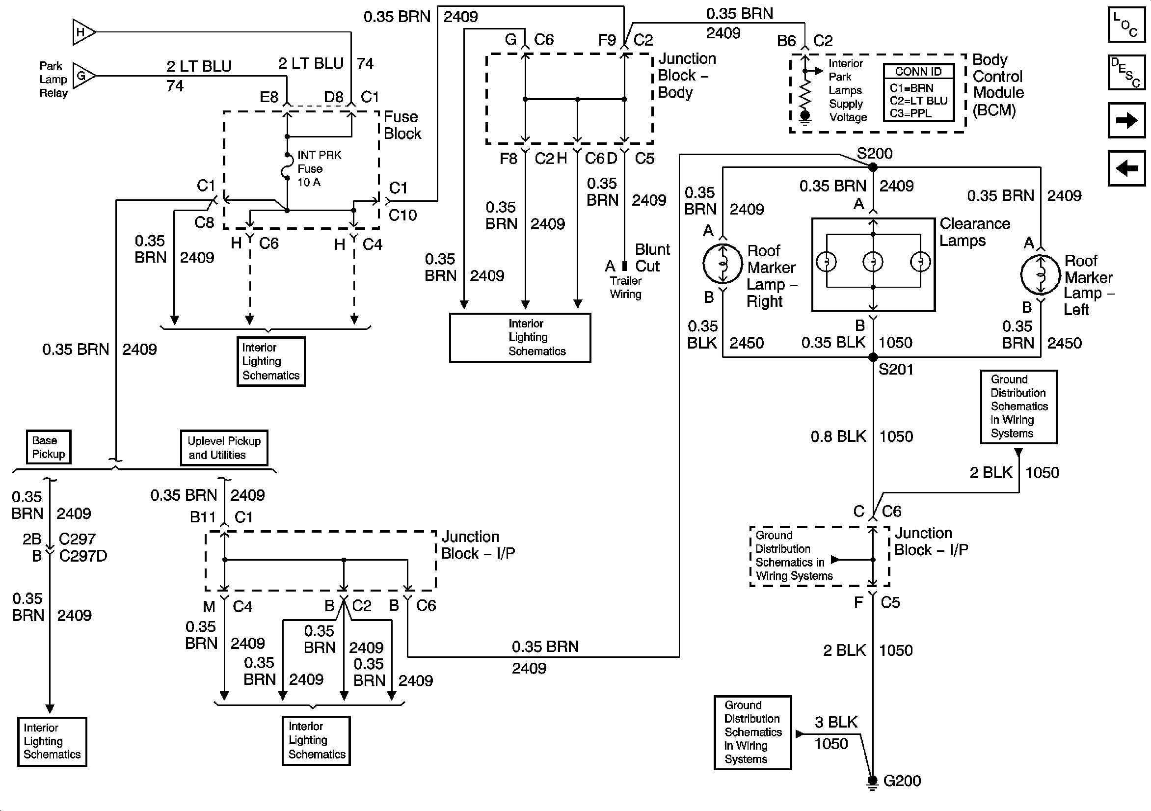
🢒 INT PRK Fuse, Roof Marker Lamps and Clearance Lamps
INT PRK Fuse, Roof Marker Lamps and Clearance Lamps
INT PRK Fuse, Roof Marker Lamps and Clearance Lamps
Master Electrical Component List
Exterior Lighting Systems Description and Operation
Junction Block - Rear Lamps, Cargo Lamp, and CHMSL
Park Lamp Relay, FR PRK, TRL PRK, LR PRK, and RR PRK Fuses
Park Lamp Relay, FR PRK, TRL PRK, LR PRK, and RR PRK Fuses
Park Lamp Relay, FR PRK, TRL PRK, LR PRK, and RR PRK Fuses
G200 - 1 of 2
Parklamp Signal and Ashtray Lamp
G200 - 1 of 2
Window/Door Lock Switches, Outside Rearview Mirror Switch, Heated Seat Switch and Ashtray Lamp
Door Jamb Switches
Parklamp Control, Power Door Lock Switch, and Ashtray Lamp
G200 - 1 of 2