GM Service Manual Online
For 1990-2009 cars only
Makes
🢒
Chevrolet
🢒
2001
🢒
Astro - 2WD
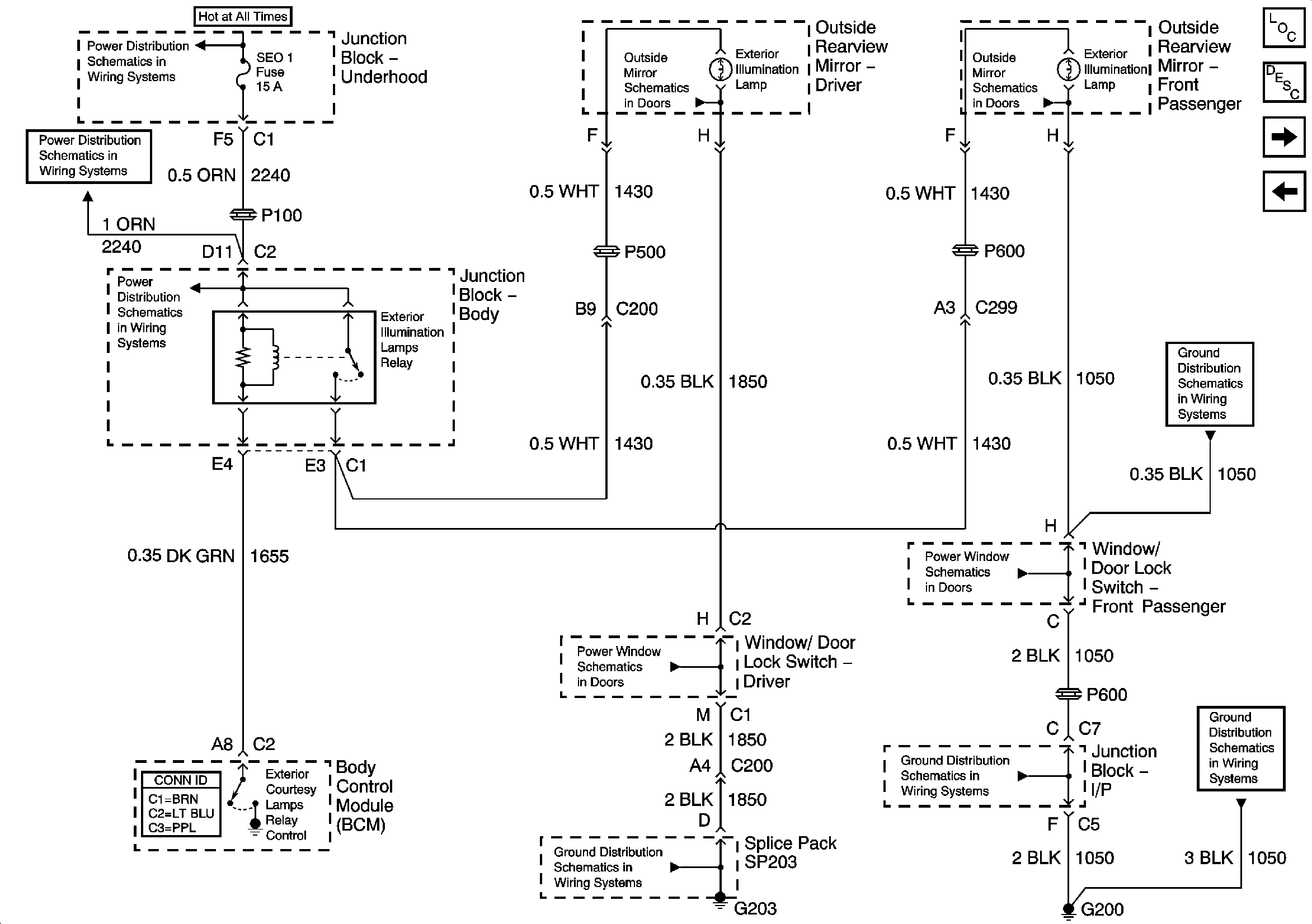
🢒 Exterior Illumination Lamps Relay and Exterior Illumination Lamps
Exterior Illumination Lamps Relay and Exterior Illumination Lamps
Exterior Illumination Lamps Relay and Exterior Illumination Lamps
Master Electrical Component List
Exterior Lighting Systems Description and Operation
Cargo Lamp Switch and Inadvertent Power Relay
Tail/Stop Lamps, Rear Turn Signal Lamps, and License Lamps
B+ Bus Bar
SEO 1, SEO 2, AND AUX PWR Fuses
w/o Electro Chromic
w/o Electro Chromic
SEO 1, SEO 2, AND AUX PWR Fuses
G200 - 1 of 2
Window Switches, Window Motors
Window Switches, Window Motors
G200 - 1 of 2
G203 - 1 of 4
G200 - 1 of 2