GM Service Manual Online
For 1990-2009 cars only
Makes
🢒
Chevrolet
🢒
2001
🢒
Astro - 2WD
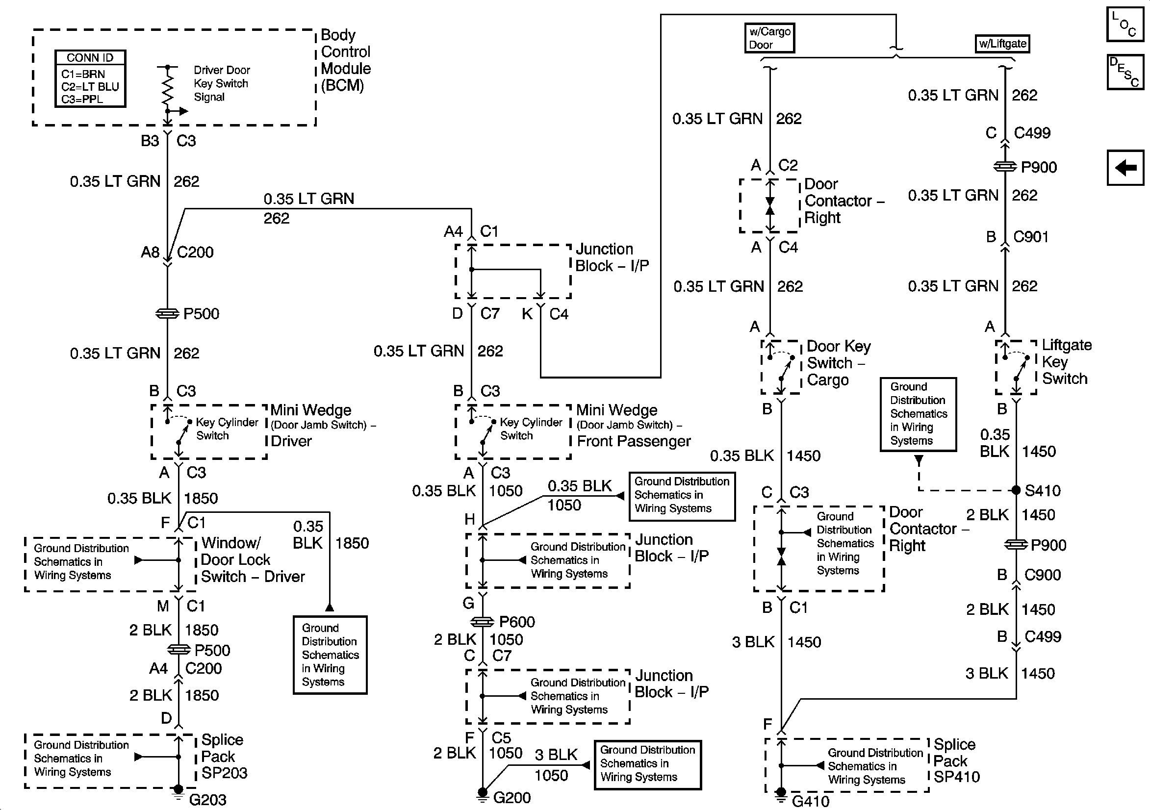
🢒 Liftgate Key Switch, Cargo Door Key Switch and Mini Wedge - Driver/Front Passenger
Liftgate Key Switch, Cargo Door Key Switch and Mini Wedge - Driver/Front Passenger
Liftgate Key Switch, Cargo Door Key Switch and Mini Wedge - Driver/Front Passenger
Master Electrical Component List
Theft Systems Description and Operation
Body Control Module, Steering Wheel Speed/Position Sensor and Ignition Lock Cylinder Case
G203 - 2 of 4
G203 - 1 of 4
G203 - 2 of 4
G200 - 1 of 2
G200 - 1 of 2
G200 - 1 of 2
G200 - 1 of 2
G410 - 2 of 2
G410 - 2 of 2
G410 - 2 of 2