GM Service Manual Online
For 1990-2009 cars only
Makes
🢒
Chevrolet
🢒
2001
🢒
Astro - 2WD
🢒 Starting - Diesel Dual Generator
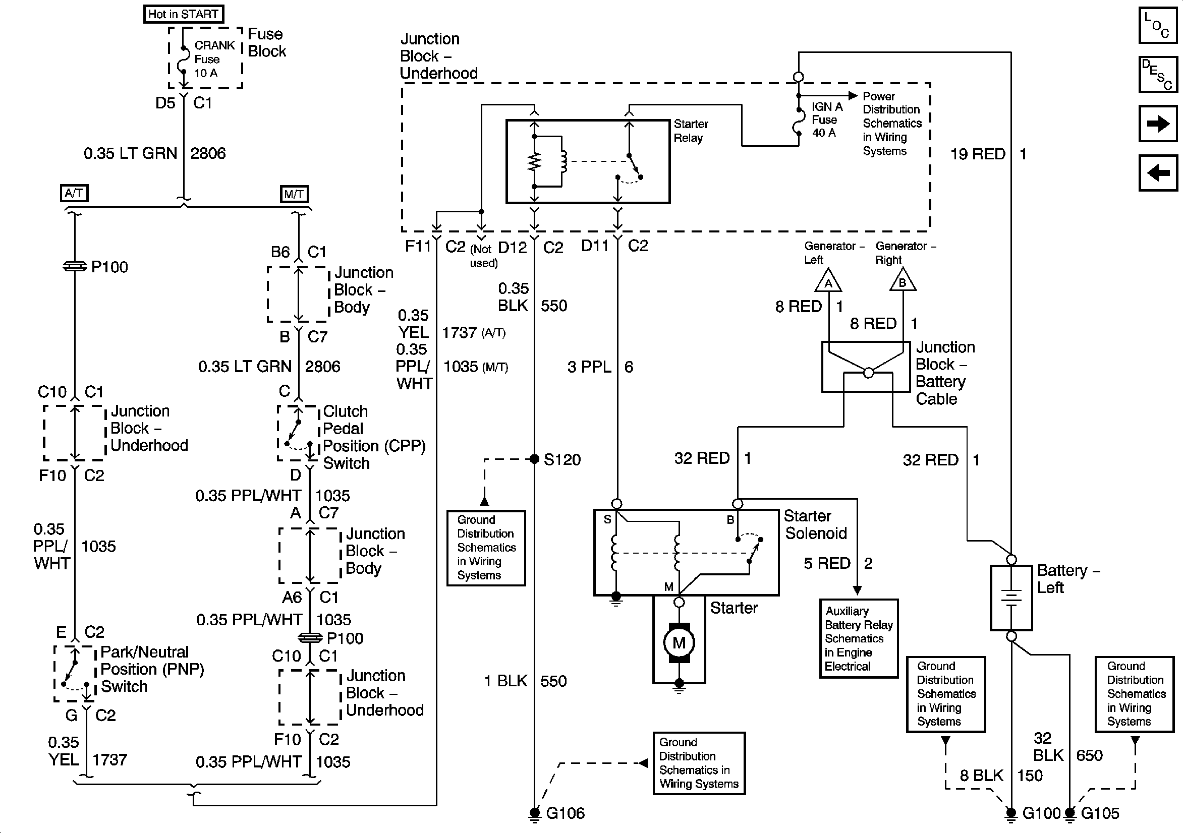
Starting - Diesel Dual Generator
Starting - Diesel Dual Generator
Master Electrical Component List
Charging System Description and Operation
Charging - Diesel Dual Generator
Charging - Except Diesel Dual Generator
B+ Bus Bar
Charging - Diesel Dual Generator
G106 - Diesel
G106 - Diesel
Auxiliary Battery Schematics
G100 and G110
G105 - Diesel