GM Service Manual Online
For 1990-2009 cars only
Makes
🢒
Chevrolet
🢒
2001
🢒
Astro - 2WD
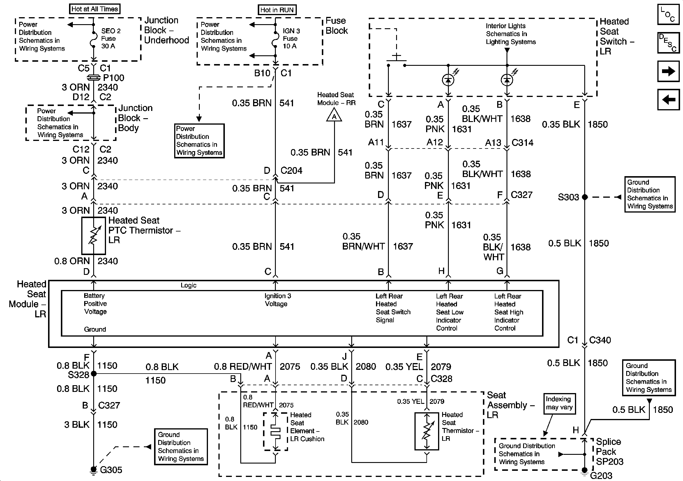
🢒 Left Rear Heated Seats
Left Rear Heated Seats
Left Rear Heated Seats
Master Electrical Component List
Heated Seats Description and Operation
Right Rear Heated Seats
Front Passenger
B+ Bus Bar
IGNITION, RUN, ACCESSORY, and RAP Bus Bars, RAP #1 and RAP #2 Fuses
SEO 1, SEO 2, AND AUX PWR Fuses
IGN 3 Fuse - 1 of 2
Right Rear Heated Seats
PARK LPS Fuse, Parklamp Relay, Door Lock Switch-Driver, Heated Seat Switches, and Ashtray Lamp
PARK LPS Fuse, Parklamp Relay, Door Lock Switch-Driver, Heated Seat Switches, and Ashtray Lamp
G305 and G306
G203 - 1 of 4
G203 - 1 of 4