GM Service Manual Online
For 1990-2009 cars only
Makes
🢒
Chevrolet
🢒
2002
🢒
Astro - 2WD
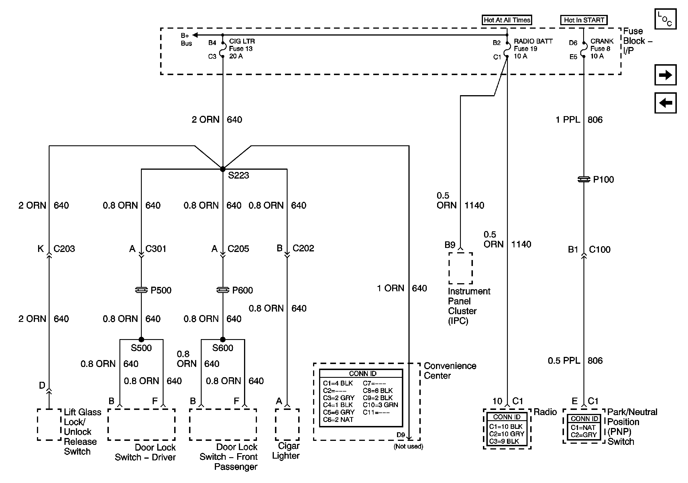
🢒 Cig Lighter Fuse, Radio Battery Fuse and Crank Fuse
Cig Lighter Fuse, Radio Battery Fuse and Crank Fuse
Cigar Lighter Fuse, Radio Battery Fuse and Crank Fuse
Master Electrical Component List
Courtesy, Park Lamps, TBC, and Power Mirror Fuses
Stop/Hazard Fuse and Aux Power Fuse
Battery and Lighting Fuse