GM Service Manual Online
For 1990-2009 cars only
Makes
🢒
Chevrolet
🢒
2002
🢒
Astro - 2WD
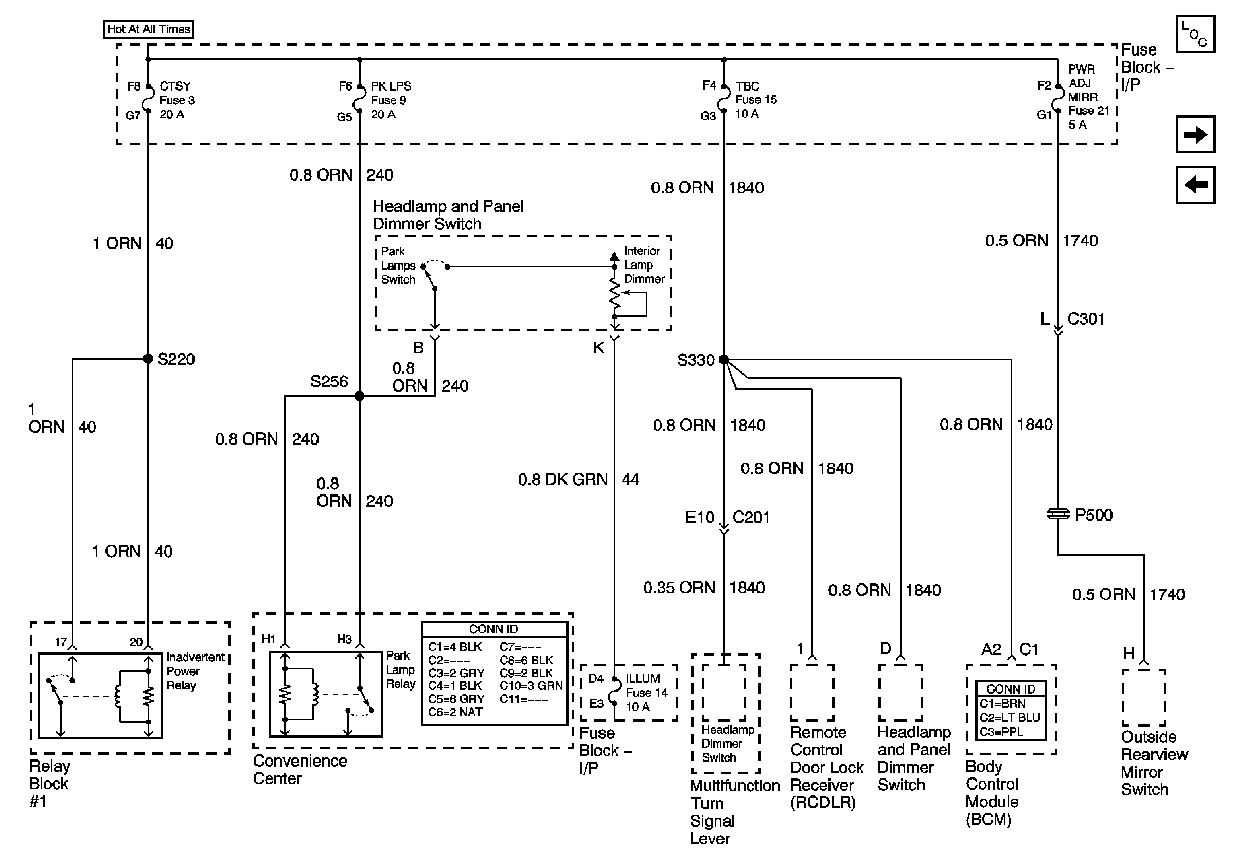
🢒 Courtesy, Park Lamps, TBC, and Power Mirror Fuses
Courtesy, Park Lamps, TBC, and Power Mirror Fuses
Courtesy, Park Lamps, TBC, and Power Mirror Fuses
Master Electrical Component List
Illumination Fuse
Cig Lighter Fuse, Radio Battery Fuse and Crank Fuse