GM Service Manual Online
For 1990-2009 cars only
Makes
🢒
Chevrolet
🢒
2002
🢒
Astro - 2WD
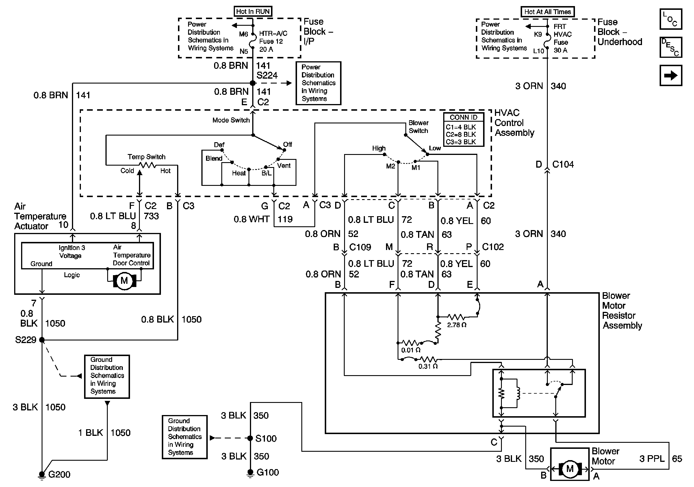
🢒 Front Blower Controls w/o Front A/C
Front Blower Controls w/o Front A/C
Front Blower Controls w/o Front A/C
Master Electrical Component List
Air Delivery Description and Operation
Rear Blower Controls w/o Rear A/C
IGN ACC and RUN
HTR-A/C, Brake, and Cruise Fuses
Battery and Fuse Block - Underhood
G200
G100, G102, and G103