GM Service Manual Online
For 1990-2009 cars only
Makes
🢒
Chevrolet
🢒
2002
🢒
Astro - 2WD
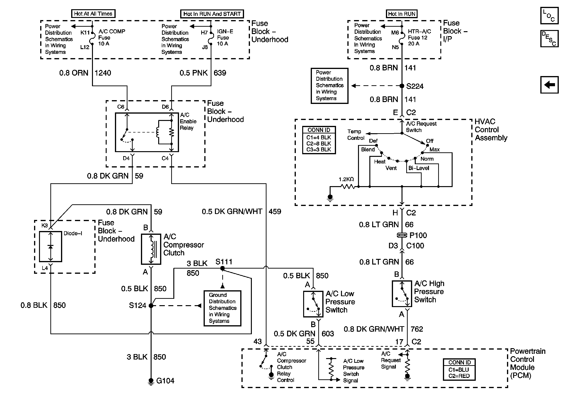
🢒 Compressor Controls
Compressor Controls
Compressor Controls
Master Electrical Component List
Air Delivery Description and Operation
Rear Blower Controls w/ Rear A/C, Page 2 of 2
Battery and Fuse Block - Underhood
IGN RUN and START Bus Bar
IGN ACC and RUN
HTR-A/C, Brake, and Cruise Fuses
G104