GM Service Manual Online
For 1990-2009 cars only
Makes
🢒
Chevrolet
🢒
2002
🢒
Astro - 2WD
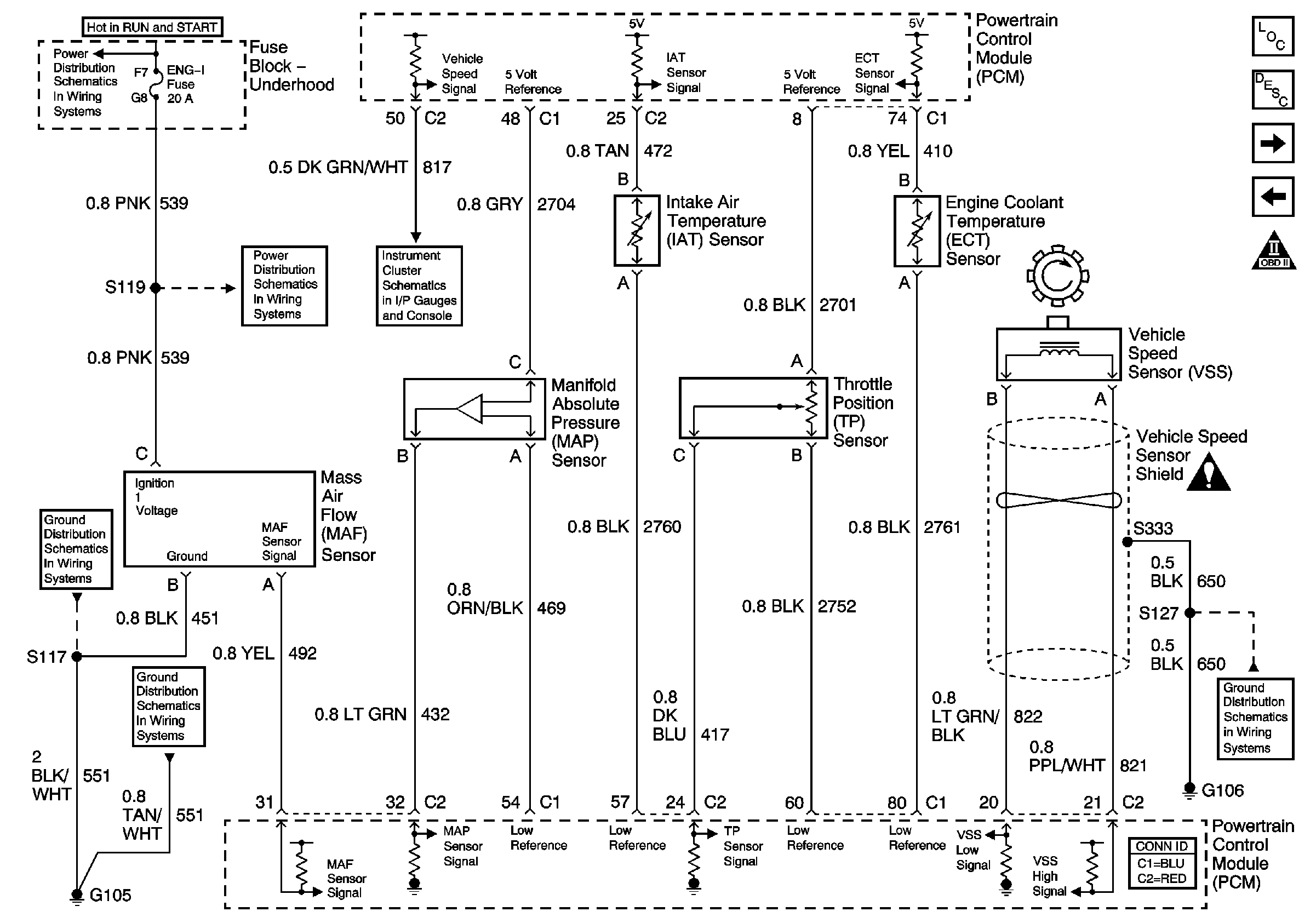
🢒 Engine Data Sensor
Engine Data Sensor
Engine Data Sensor
Master Electrical Component List
Air Intake System Description
Oxygen Sensors
Module Power, Ground, Serial Data, and MIL
OBD II Symbol Description Notice
IGN RUN and START Bus Bar
IGN - E and Eng - I Fuse
Gages
G105, and G107
G105, and G107
G100, G106, and G302
Engine Controls Schematic Icons