GM Service Manual Online
For 1990-2009 cars only
Makes
🢒
Chevrolet
🢒
2002
🢒
Astro - 2WD
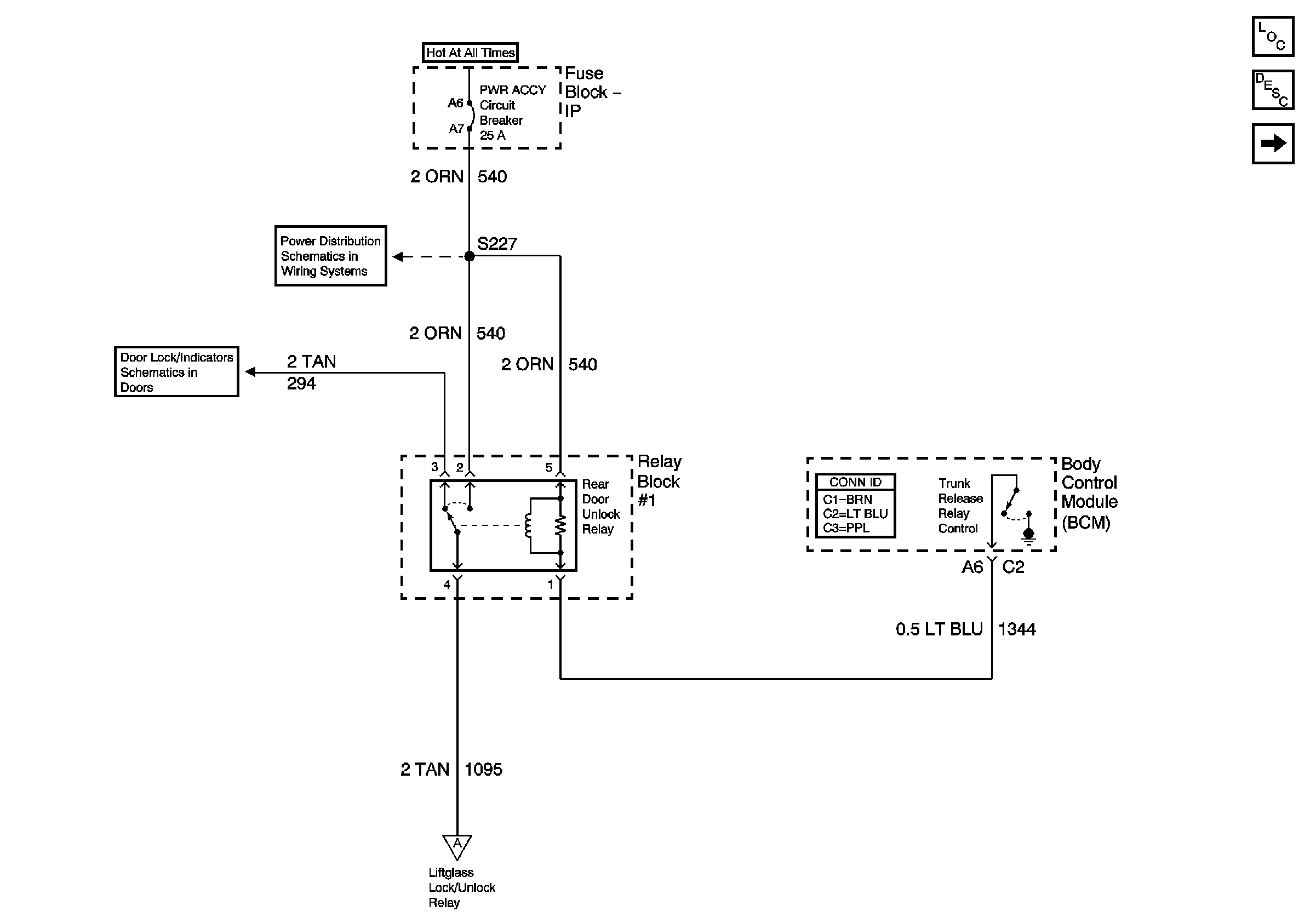
🢒 Rear Door Unlock Relay Control
Rear Door Unlock Relay Control
Rear Door Unlock Relay Control
Master Electrical Component List
Rear Hatch/Gate Description and Operation
Liftglass Lock/Unlock Release Switch and Relay
Power Accessory Circuit Breaker
Door Unlock Relays
Liftglass Lock/Unlock Release Switch and Relay