GM Service Manual Online
For 1990-2009 cars only
Makes
🢒
Chevrolet
🢒
1997
🢒
Astro - 4WD
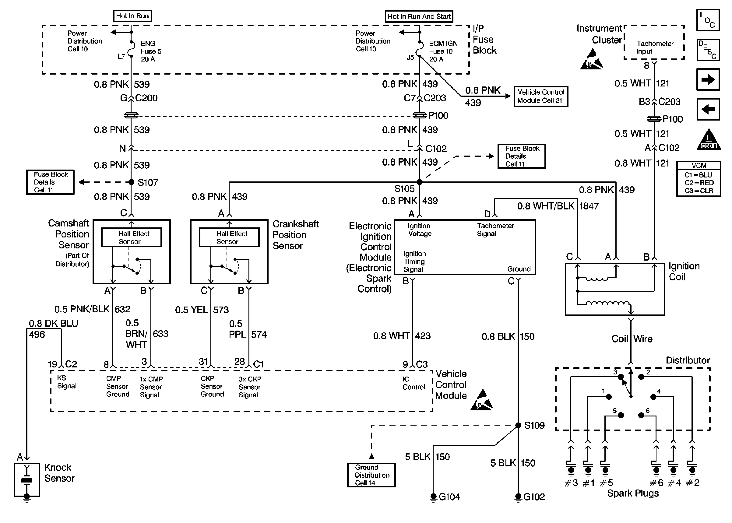
🢒 Ignition Controls
Ignition Controls
Ignition Controls
Engine Controls Components
Vehicle Control Module VCM
Fuel Level Sensor
Data Link Connector
OBD II Symbol Description Notice
Power And Grounding
Handling Electrostatic Discharge Sensitive Parts Notice
Handling Electrostatic Discharge Sensitive Parts Notice