GM Service Manual Online
For 1990-2009 cars only
Makes
🢒
Chevrolet
🢒
1997
🢒
Astro - 4WD
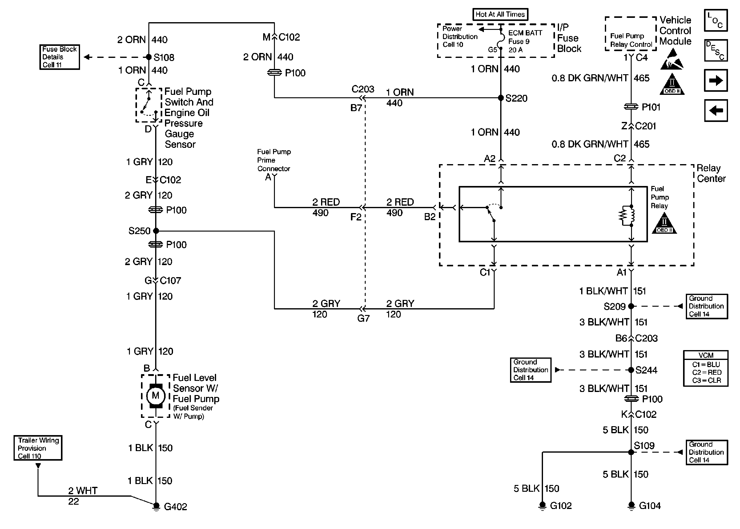
🢒 Fuel Pump Controls
Fuel Pump Controls
Fuel Pump Controls
Engine Controls Components
Vehicle Control Module VCM
Fuel Injector Controls
Fuel Level Sensor
Handling Electrostatic Discharge Sensitive Parts Notice
OBD II Symbol Description Notice
OBD II Symbol Description Notice