GM Service Manual Online
For 1990-2009 cars only
Makes
🢒
Chevrolet
🢒
2000
🢒
Blazer - 2WD
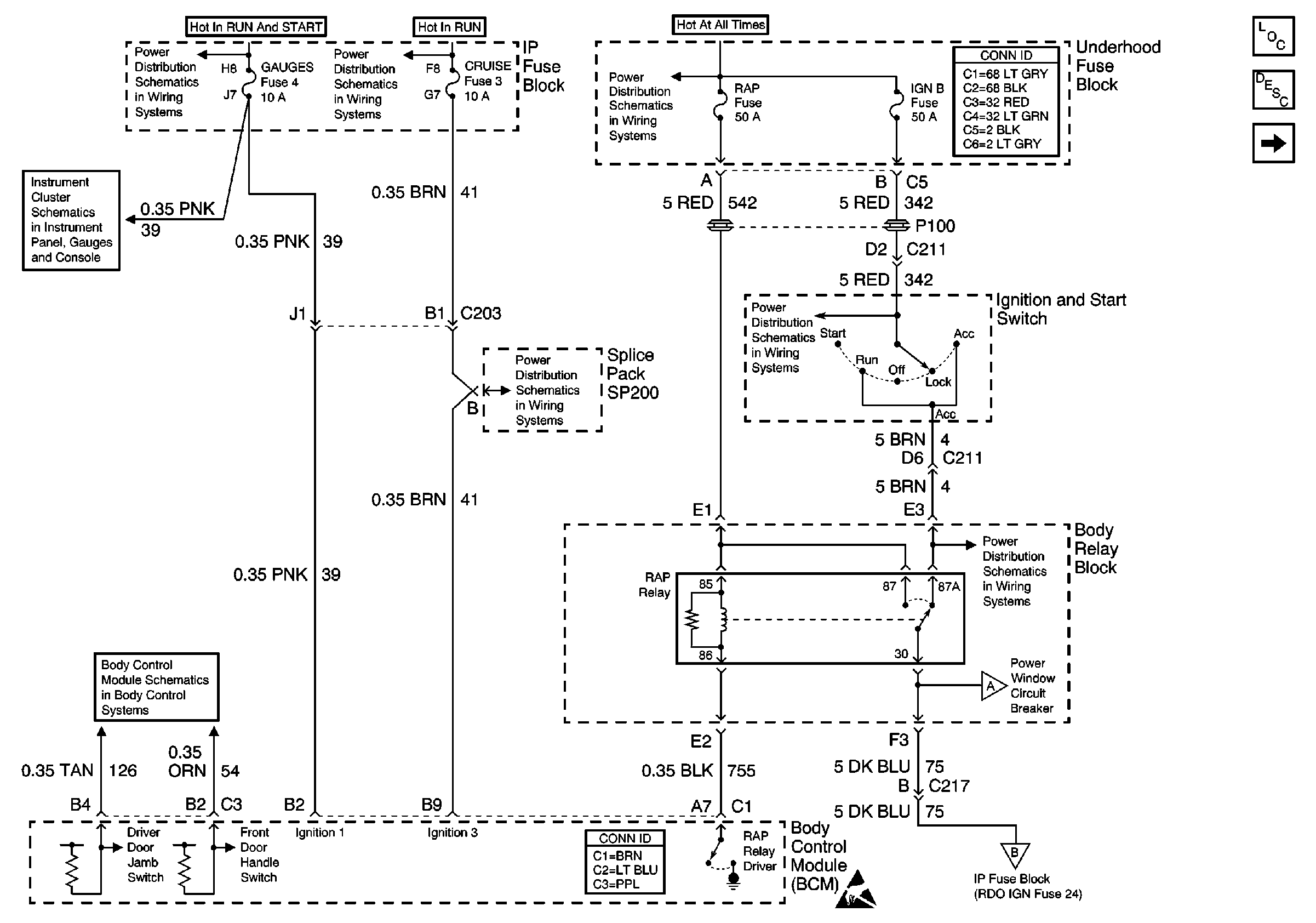
🢒 RAP Relay and Ignition Switch
RAP Relay and Ignition Switch
RAP Relay and Ignition Switch
Retained Accessory Power (RAP) Components
Retained Accessory Power (RAP) Circuit Description
Radio and Door Lock and Side Window Switches
TURN, SIR and GAUGES Fuses
HVAC and CRUISE Fuses
RAP, IGN B Fuses and Ignition Switch
Power and Grounding Connector End Views
Power
HVAC and CRUISE Fuses
RAP, IGN B Fuses and Ignition Switch
Side Door Jamb Switches
RAP, IGN B Fuses and Ignition Switch
Body Control System Connector End Views
Handling ESD Sensitive Parts Notice
Radio and Door Lock and Side Window Switches
Radio and Door Lock and Side Window Switches