GM Service Manual Online
For 1990-2009 cars only
Makes
🢒
Chevrolet
🢒
2001
🢒
Blazer - 2WD
🢒
Body and Accessories
🢒
Seats
🢒 Heated Seats Schematics
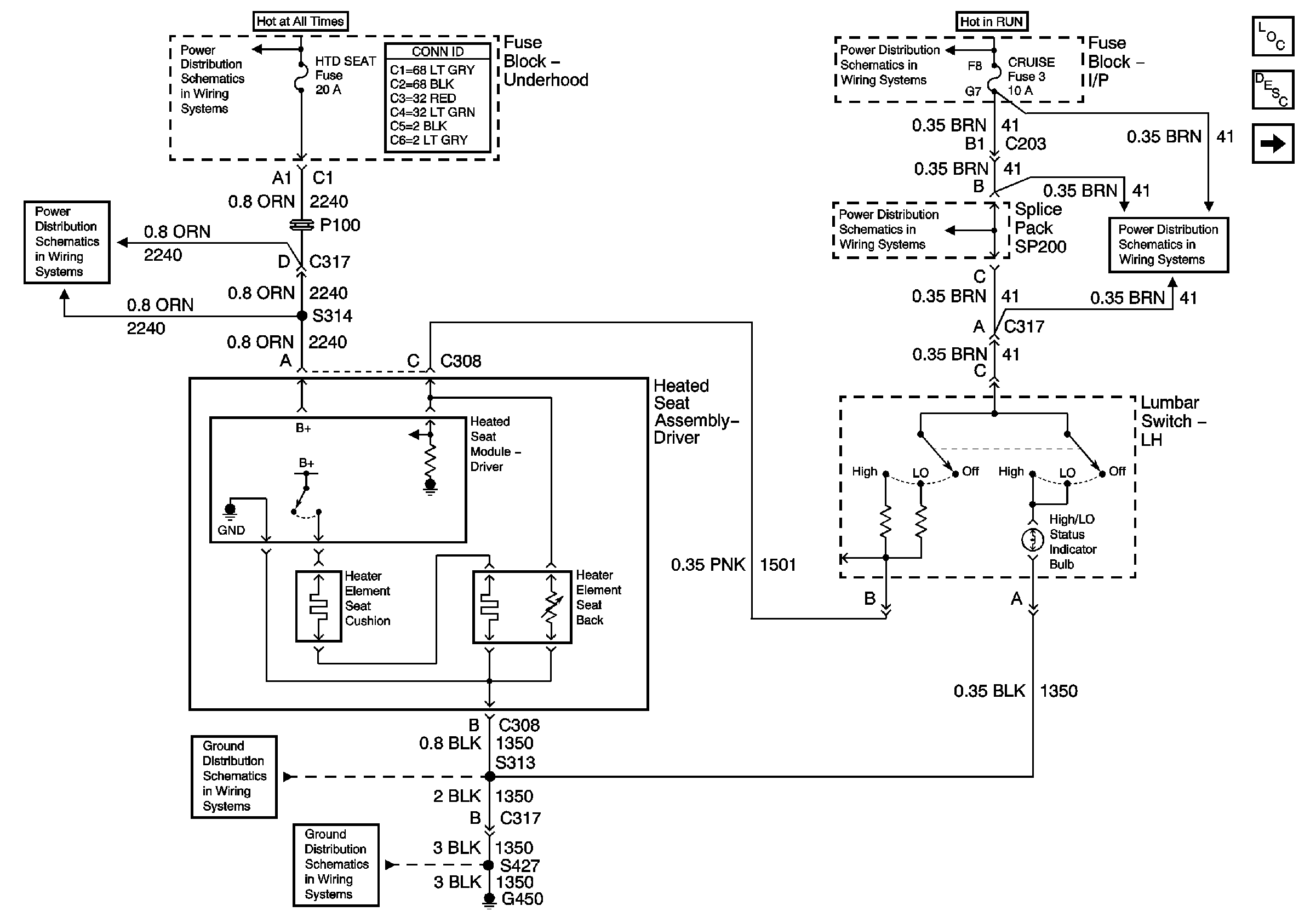
Figure
1:
LH Heated Seat
Master Electrical Component List
Heated Seats Description and Operation
RH Heated Seat
HTD SEAT, ATC, HVAC and A/C Fuses
S313 and S419
G420,G450 and S427 (Utility w/ Endgate and Crew Cab)
B+ Bus Bar
Ign ACC, RUN and RAP Bus Bar
HVAC and CRUISE Fuses
HVAC and CRUISE Fuses
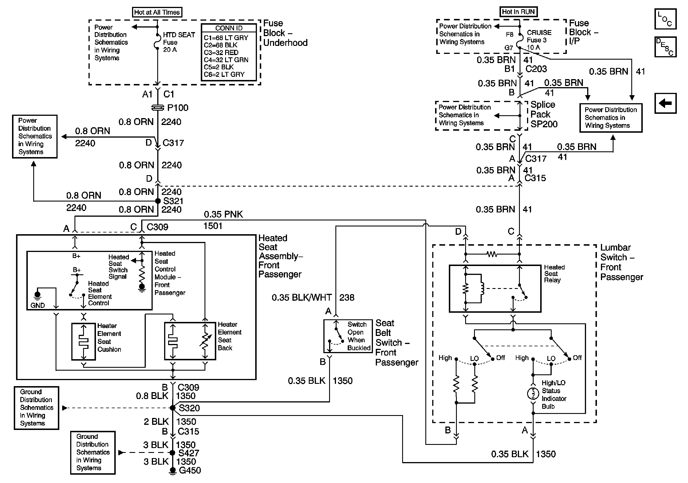
Figure
2:
RH Heated Seat
Master Electrical Component List
Heated Seats Description and Operation
LH Heated Seat
B+ Bus Bar
HTD SEAT, ATC, HVAC and A/C Fuses
S320 and S420
G420,G450 and S427 (Utility w/ Endgate and Crew Cab)
Ign ACC, RUN and RAP Bus Bar
HVAC and CRUISE Fuses
HVAC and CRUISE Fuses