GM Service Manual Online
For 1990-2009 cars only
Makes
🢒
Chevrolet
🢒
2001
🢒
Blazer - 2WD
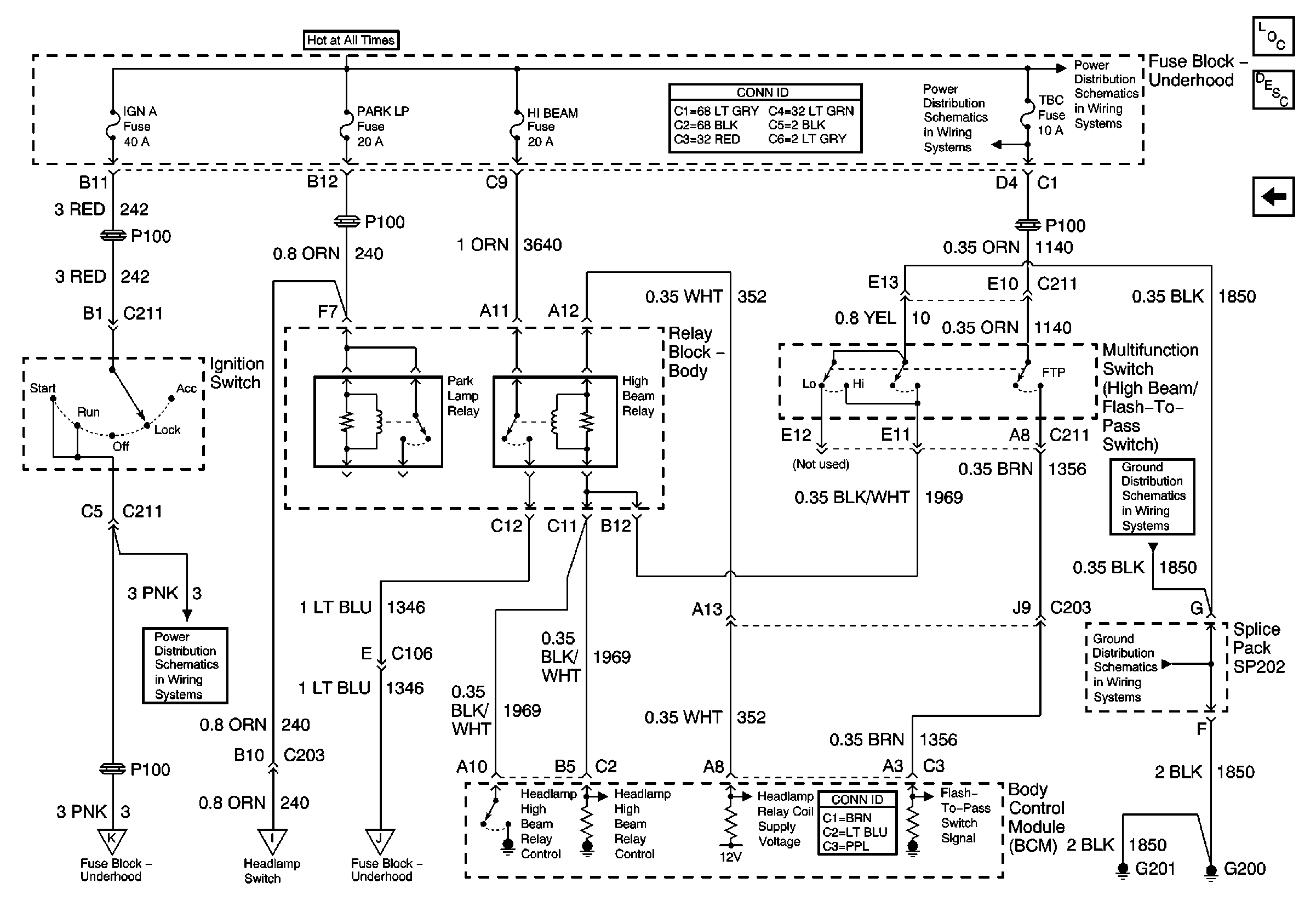
🢒 Park Lamp, High Beam Relays and BCM (Envoy/Diamond Edition 1SK)
Park Lamp, High Beam Relays and BCM (Envoy/Diamond Edition 1SK)
Park Lamp, High Beam Relays and BCM (Envoy/Diamond Edition 1SK)
Master Electrical Component List
Exterior Lighting Systems Description and Operation
DRL, Low Beam Relays and BCM (Envoy/Diamond Edition 1SK)
STUD 2, ABS, TBC and RR W/W Fuses
B+ Bus Bar
Ign RUN and START Bus Bar
DRL, Low Beam Relays and BCM (Envoy/Diamond Edition 1SK)
Headlamp Switch and BCM (Envoy/Diamond Edition 1SK)
DRL, Low Beam Relays and BCM (Envoy/Diamond Edition 1SK)
S501 (Utility)
G200, G201 and G207 (Envoy)