GM Service Manual Online
For 1990-2009 cars only
Makes
🢒
Chevrolet
🢒
2001
🢒
Blazer - 2WD
🢒 Front
Front
Front
Master Electrical Component List
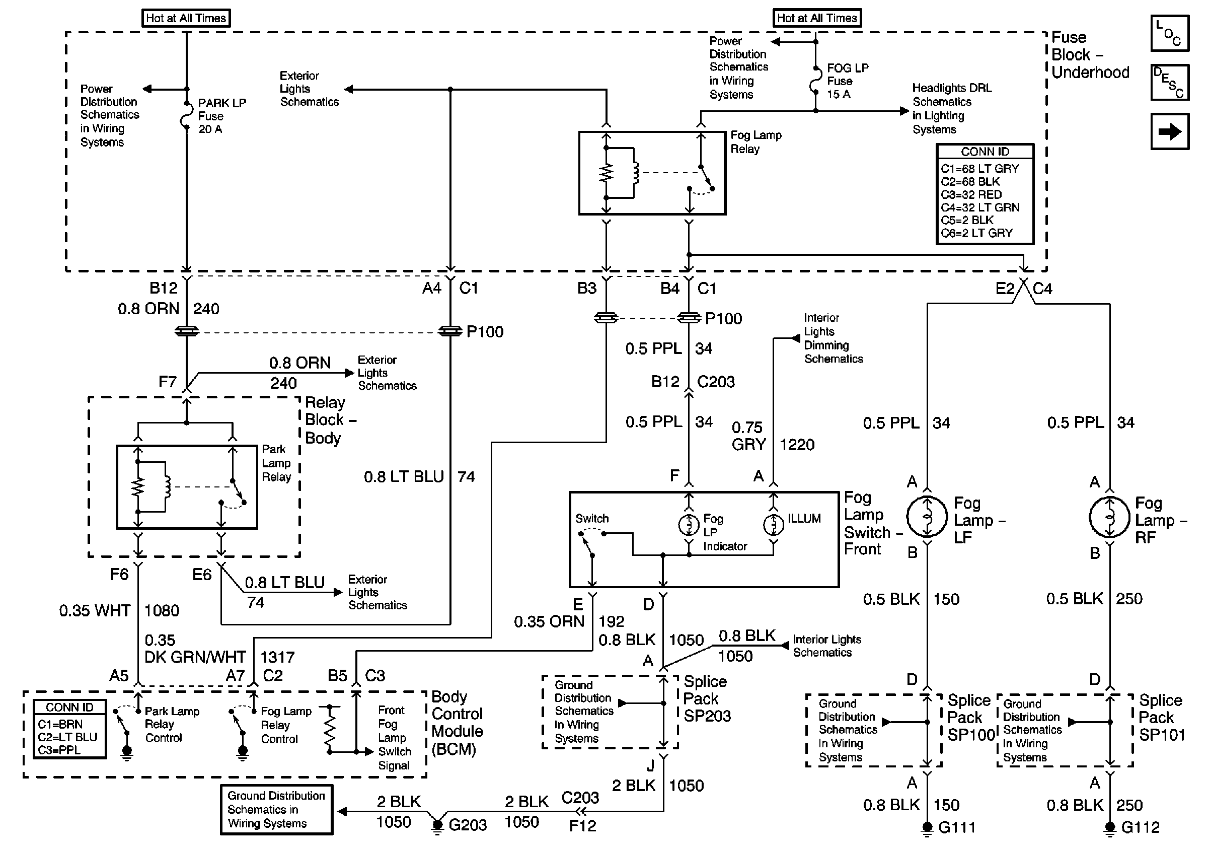
Exterior Lighting Systems Description and Operation
Rear (Export)
B+ Bus Bar
Park/Turn Signal Lamps, Marker and License Lamps, Rear(Pickup)
B+ Bus Bar
DRL and Headlamp Power Relays
Park/Turn Signal Lamps, Marker and License Lamps, Rear(Pickup)
ILLUM Fuse 12
Park/Turn Signal Lamps, Marker and License Lamps, Rear(Pickup)
G203 and G204 (Pickup)
G203 and G204 (Pickup)
Headlamp Switch
G109, G111, G112 and G113 (Except Export)
G109, G111, G112 and G113 (Except Export)