GM Service Manual Online
For 1990-2009 cars only
Makes
🢒
Chevrolet
🢒
2001
🢒
Blazer - 2WD
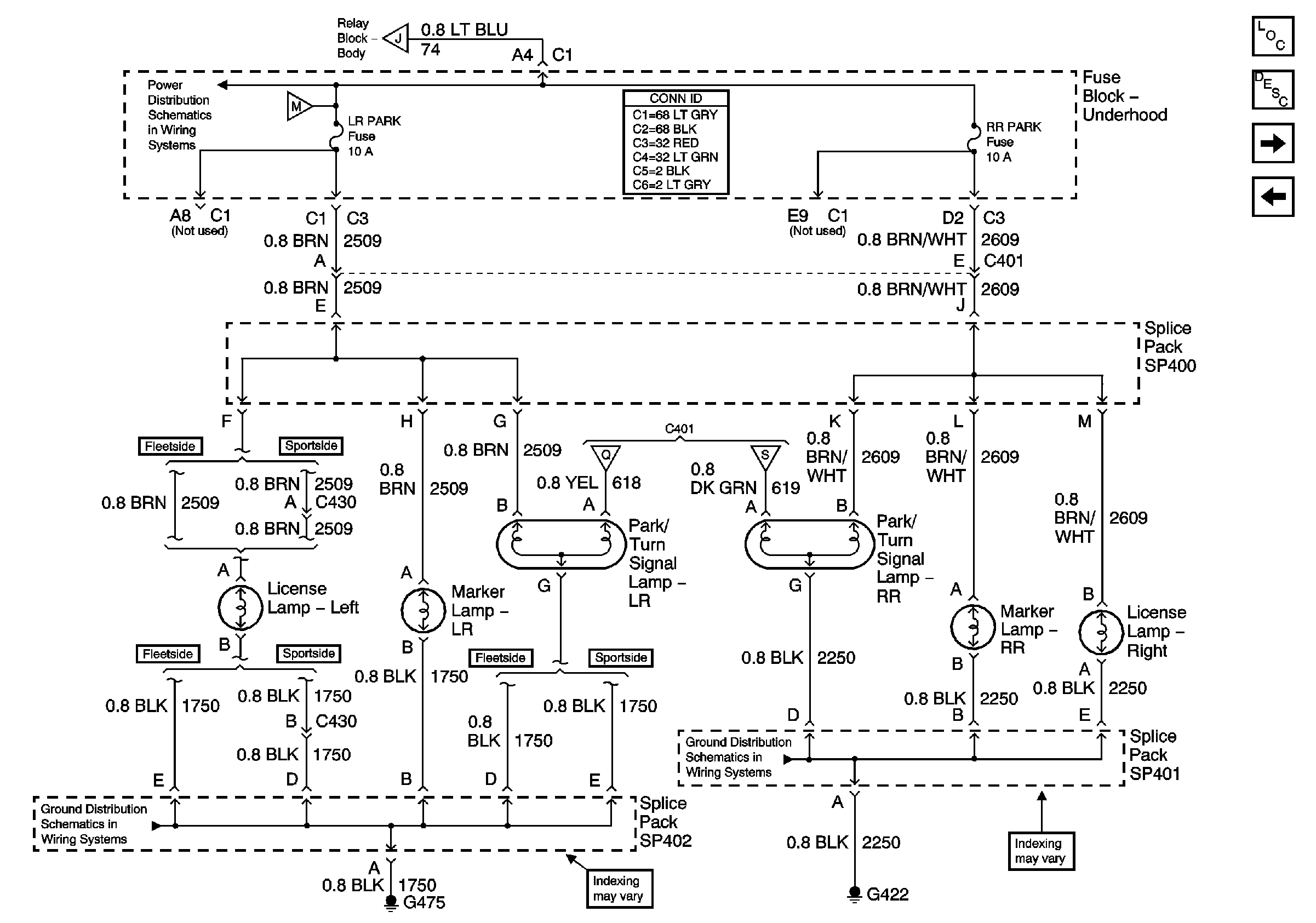
🢒 Park/Turn Signal Lamps, Marker and License Lamps, Rear(Pickup)
Park/Turn Signal Lamps, Marker and License Lamps, Rear(Pickup)
Park/Turn Signal Lamps, Marker and License Lamps, Rear (Pickup)
Master Electrical Component List
Exterior Lighting Systems Description and Operation
Park and License Lamps, Rear (Utility)
Park/Turn Signal Lamps, Rear (Utility)
Park/Turn Signal Lamps, Rear (Utility)
FR PRK, LR PRK, RR PRK Fuses and Fog Lamp Relay (Pickup)
Turn Signal Lamps, Front and Turn Signal Fuses, Rear
Turn Fuses
G402, G422 and G475 (Sportside Pickup)
G402, G422 and G475 (Sportside Pickup)