GM Service Manual Online
For 1990-2009 cars only
Makes
🢒
Chevrolet
🢒
2001
🢒
Blazer - 2WD
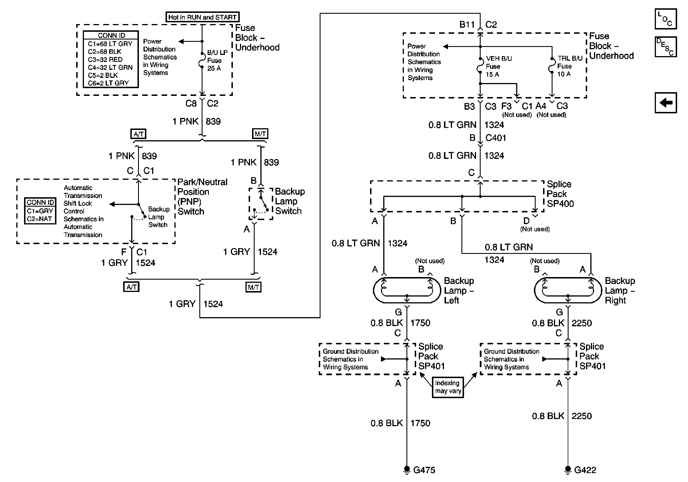
🢒 Backup Lamps (Pickup)
Backup Lamps (Pickup)
Backup Lamps - Pickup
Master Electrical Component List
Exterior Lighting Systems Description and Operation
Backup Lamps (Utility)
Ign RUN and START Bus Bar
Park/Neutral Position (PNP) Switch and Automatic TransmiSsion Shift Lock Solenoid (Pickup and 2-Door Utility w/ Column Shift)
B/U LP, TRL B/U and BTSI Fuses (Automatic Transmission)
G402, G422 and G475 (Fleetside Pickup)
G402, G422 and G475 (Fleetside Pickup)